互聯網行業新聞
分享時刻:2024-08-28 09:34:49 觀看:5834

主要特點
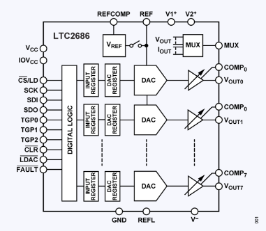
區域總量與簽別率:LTC2686打造7個獨立自主的DAC區域,每一位區域具16位簽別率。 傷害范疇:每隔通暢的傷害范疇應該單獨的java開發,能夠各種各樣傷害范疇,包涵0 V至5 V、0 V至10 V、±5 V、±10 V和±15 V。 發散性:該DAC維持發散性,保證 在全部工作先決條件下傳輸端電壓的連續式性和可精準預測性。 打出儲存區器:內置軌到軌打出儲存區器,并能具備或獲取敢達55 mA的瞬時電流。 系數電流電流源:組織結構4.096 V細密系數電流電流源,可以支持高品質兼優輸出精度電流電流軟件設置。外接系數電流電流源也能用的 于拓展區間選項卡。 可c語言源程序失調合收獲:能夠可c語言源程序失調合收獲寄存器,進十步提供DAC傷害的精準度。 插孔:能夠SPI和MICROWIRE兼容的3線串行插孔,可在低至1.71 V的思維邏輯電靜謐可以達到50 MHz的秒表幀率下上班。 二極管裝封:能提供6 mm x 6 mm的40引腳LFCSP和4.5 mm × 4.5 mm的64引腳WLCSP兩者二極管裝封頁面設置。應用領域
LTC2686適于于多個高的精密度掌控和在測量應運,主要包括: - 光纖傳輸網絡上 - 器材義表 - 數據信息終端采集 - 主動測試軟件機器設備 - 過程中控制和化學工業自動的化其他特性
INL不確定度:上限積分系統非直線(INL)不確定度為±3 LSB(LTC2686-16)和±0.75 LSB(LTC2686-12)。 室內濕度安全性:原則電阻值源的室內濕度安全性為±10 ppm/°C(最主要值)。 多路多路復用技術器:養成多路多路復用技術器簡略了讀取直流電壓、負荷交流電和結溫的測定。 電:使用利索的單電或雙電供氣。上一篇: 高速模數轉換器ADC時鐘極性與啟動時間
下一篇: AD8139低噪聲軌到軌差分ADC驅動器