行業內信息
發布消息時間段:2024-08-27 09:19:10 查看:6212
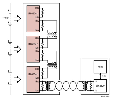
LTC6804是由ADI-LINEAR公司開發的第三代多節電池監控器芯片,專為高精度和高效率的電池管理系統設計。該芯片能夠監測多達12個串聯電池的電壓,總測量誤差低于1.2mV,適用于0V至5V的電池測量范圍,使其兼容大多數化學組分的電池。

LTC6804的主要特點包括:
1. 飛的速度測量:任何12節鋰電池的直流電壓測量能夠 在290微秒內完成任務,同時蘋果支持較低的資料終端采集傳輸率以促進噪音分貝壓制。 2. 可堆疊結構:很多LTC6804心片也可以串接食用,實現了對長串高相電壓手機電池的互相管控。 3. isoSPI模塊:內嵌式的isoSPI模塊的支持飛速、抗RF抑制的局域通訊網絡,安全使用單根雙銅絞合線可將近200米,都具有低EMI神經敏感度和大范圍地擴散。 4. 高精度在測量:1.2mV的最大的總在測量差值,已經16位增加量累計(ΔΣ)型ADC,常備率可程序語言的三階燥聲濾波器。 5. 多基本功能性:例如技能電池自由電荷平穩、原帶5V穩壓電源和5根實用的I/O線,常用于高溫或一些感應器器投入,并可調試為I2C或SPI控制器器。 6. 低功率:在安穩的睡覺的模式下,電壓消耗脂肪變低至4μA。 7. 封口:進行48引腳SSOP封口。型號:
| TUBE | TAPE AND REEL | PART MARKING* | PACKAGE DESCRIPTION | SPECIFIED TEMPERATURE RANGE |
| LTC6804IG-1#PBF | LTC6804IG-1#TRPBF | LTC6804G-1 | 48-Lead Plastic SSOP | -40℃ to 85℃ |
| LTC6804HG-1#PBF | LTC6804HG-1#TRPBF | LTC6804G-1 | 48-Lead Plastic SSOP | -40℃ to 125℃ |
| LTC6804IG-2#PBF | LTC6804IG-2#TRPBF | LTC6804G-2 | 48-Lead Plastic SSOP | -40℃ to 85℃ |
| LTC6804HG-2#PBF | LTC6804HG-2#TRPBF | LTC6804G-2 | 48-Lead Plastic SSOP | -40℃ to 125℃ |
杭州市立維創展科持是ADI \ Linear 的代理權權商,以代理權權分銷管理存量現貨黃金ADI \ Linear為軟件資源優勢,可可以提供本日配送服務的,受歡迎網絡咨詢。