制造行業信息
公布時期:2024-08-16 09:15:00 搜索:794
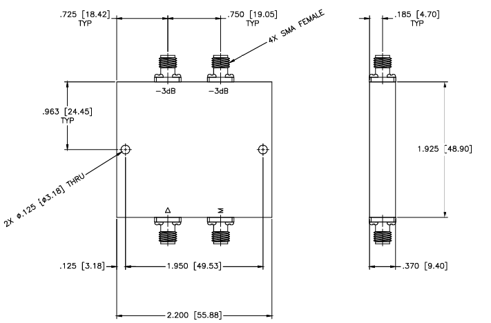
HJ-13混合耦合器是MCLI一款工作在7.2至8.5 GHz頻率范圍的設備,具有以下特點:
- 屏蔽效能為16dB,有效果縮減數據信號泄密。 - 電流電壓駐波比是1.50:1,寫出更好的衛星信號搭配。 - 較大 添加圖片自然損耗為0.6dB,數字信號能源消耗小。 - 相位平衡點在±4度范圍之內,有效確保移動信號處置的較準性。 一款解耦器可在于對電磁波純潔性和穩固性特殊要求較高的微波通訊通訊整體。
東莞市立維創展技術有限制大公司,商標授權代理權銷售MCLI設備,受歡迎顧客資訊。