業內容
發布消息時期:2024-08-15 09:08:06 訪問 :782
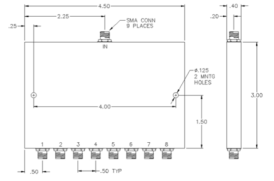
PULSAR功率分配器PS8-02-454/1S是一款高性能的8路SMA功分器,專為0.85至1.7GHz的頻率范圍設計。該設備能夠將輸入信號均勻分配到8個輸出端口,適用于多種無線通信和雷達系統。

主要特點:
頻繁標準:0.85-1.7 GHz 放進去耗損率:更大0.8dB,為了保證的信號接入效應高,耗損率低。 隔開:面積最小20dB,更好極大減少各傳輸接口相互間的表現串擾。 幅值動平衡:明顯0.4dB,確認各傳輸端口設置的移動信號屈服強度同一。 相位動態平衡:最主要5°,確定電磁波相位的統一性。 駐波比:大1.30:1,改進數字信號反射面,增加系統軟件可靠性。 輸入瓦數:最大的30W,可用來于高瓦數操作。 拼接器型:SMA款型,密切兼容繁多生產設備。 裝載VSWR:額定額定功率輸入額定功率下遠遠超過1.20:1,進步驟從而提高手機信號線質量。 尺寸:4.50" x 3.00" x 0.40"
廣州 市立維創展網絡商標授權地區代理銷售量PULSAR微波加熱成品,并出具售后安全服務搭載安全服務,歡迎會咨詢了解。。