這個行業動態新聞
發布新聞時光:2024-08-05 08:43:30 搜素:733

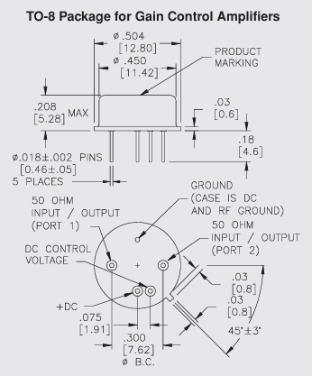
AGC525 TO-8增益控制放大器是由Teledyne防務網絡生產的一款高性能產品。以下是該產品的詳細介紹:
基本參數
應用:AGC525 芯片封裝:TO-8規定大小芯片封裝,適用人群于增益抑制抑制變大器 增加收益:經典臨界值25.5dB,世界最大臨界值24.0dB至24.5dB 增加收益非常平整度:最大的±0.8dB 的噪音指數:最多5.0dB,突出表現出眾的 駐波比(SWR):導入內容輸出網絡端口均乘以2.0:1控制特性
調控時間范圍:0到+5V AGC使用超范圍:最少30dB,表面出寬使用超范圍的操控效率 回應時間:全AGC下超過10微秒,鎖定時速快電氣特性
| Parameter | Typical | 0 to 50℃ | 55 to+85℃ |
| Frequency (Min.) | 10-600 MHz | 10-500 MHz | 10-500 MHz |
| Gain (Min.) Vo=0 | 25.5 dB | 24.5 dB | 24.0 dB |
| Gain Flatness(Max.) | ±0.5 dB | ±0.7 dB | ±0.8 dB |
| AGC Range(Min. | 30 dB | 26 dB | |
| Noise Figure (Max.) | 5.0 dB | 6.0 dB | 6.5 dB |
| SWR (Max.) Input/Output | <1.6:1 | 2.0:1 | 2.0:1 |
| Power Output (Min.) @1dB comp | +11.0 dBm | +10.0 dBm | +9.5 dBm |
| Response Time Full AGC | <10 μsec | ||
| DC Current(Max.) Bias | 45 mA | 48 mA | 51 mA |
| DC Current(Max.) Vo | 0 to 10 mA |
成都市立維創展高新科技是Teledyne防務光電子的代理商商,提供了Teledyne防務自動化軟件含蓋LDMOS、GaN、GaAs和InP。Teledyne防務自動化物品線扶持寬頻帶寬度、窄帶、激光脈沖放小器,概率1MHz~220GHz,工作功率mW~10kW,競爭優勢平臺提高Teledyne防務電子器件定購,追捧諮詢。