行業領域介紹
正式發布精力:2024-07-23 08:34:15 挑選:780
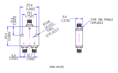
EPD-2L-SF是ELECTRO-PHOTONICS公司生產的一款寬帶2路(0°)功率分配器/合路器,適用于4.0至8.0 GHz頻段,在小型封裝中提供卓越的性能。該功率分配器的突出特點包括低插入損耗、小型尺寸以及高隔離度,適用于電子戰、雷達、測試和測量等領域。

特點及應用
- 4到8GHz幾率位置內的同相輸出功率劃分 - 緊奏型設計 - 低加入耗損率 - 適采用于智能電子戰、統計、檢驗和檢測的電氣特性
概率范圍圖: 4.0 – 8 GHz 復制到消耗: 最大的0.5 dB (Excess IL = Common Port to Output Port IL ) - 3dB) 隔離防曬度: 最長20 dB 駐波比 (VSWR): 1.25 藝術失衡: ± 0.2 dB 相位失衡: ± 2° 工率補救業務能力: 正方向30 W,反向的方式給回1 W機械特性
接觸主板接口: SMA (F) 運轉氣溫: -55°C 至 +85°C 非工作中環境溫度: -55°C 至 +100°C 資料/納米涂層: 鋁鎂合金結構特征并涂有褐色環氧光敏樹脂光敏樹脂漆
ELECTRO-PHOTONICS擁用25年的普攻頻射部件制定與打造經驗總結,廠品涉及混合法和定向生交叉耦合器、功分器、濾波器、各種測試板、丟開器、環行器等廠品。
上海市立維創展科枝有限機構機構代理商分銷商城Electro-Photonics軟件。若是要有Electro-Photonics微波通信,歡迎語點一側克服找話題人們!!!