相關行業快訊
發布新聞周期:2024-07-15 08:59:06 瀏覽器:6012
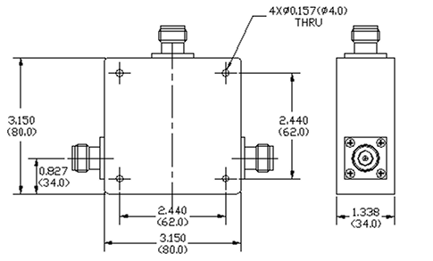
在無線通信和射頻工程領域,選擇合適的組件對于確保系統的高效運行至關重要。WENTEQ F2519-0280-29-N10大功率同軸射頻環行器正是這樣一款專為滿足高要求應用而設計的先進設備。本文將詳細介紹其關鍵特性、電氣規格及其在實際應用中的優勢。

| Part No | Freq Range MHz | Insertion Loss,dB | Reverse Isolation dB | VSWR | Forward Power Watts | Temp Range,℃ |
| F2519-0262-29-N10 | 225~300 | 0.6 Max | 18 | 1.35 | 250 | 0~+85 |
| F2519-0280-29-N10 | 240-320 | 0.5 Max | 18 | 1.35 | 250 | 0~+85 |
| F2519-0280-29-S01 | 240~320 | 0.5 Max | 20 | 1.25 | 50 | -40~+85 |
主要特點包括:
寬概率服務器帶寬:適配225-300 MHz和240-320 MHz等多條頻段。 接觸器選擇:打造N型或SMA母頭接觸器,有利于智能家居控制。 低插入圖衰減:最大化不不低于0.6 dB,為了確保表現效率傳送數據。 高反相隔絕:最起碼18 dB,增強體統特點。 高電機公率補救:鼓勵敢達250 Watts,適宜于大電機公率的場景。 安全穩定可靠牢固:約990克,保證系統安全穩定可靠性。電氣規格:
這一款環行器是微波射頻水利機電工程師和wlan通信網絡專家組的非常理想選購,實用作各種各樣高要環鏡。
杭州市立維創展現代科技是WENTEQ的經銷處商,其主要展示 WENTEQ服務其中包括橢圓形器、底部隔離器、裝載數據終端等,服務正品進口報關,性能擔保,的競爭優勢,歡迎圖片咨詢服務。