AD9176雙通路16十位數模轉換成器(DAC)
發布公告時期:2024-06-12 09:21:24 瀏覽記錄:6938
AD9176是ADI一款高性能的雙通道16位數模轉換器(DAC),支持高達12.6 GSPS的DAC采樣速率。它采用了8線15.4 Gbps
JESD204B數據輸入端口,以及高性能的片內DAC時鐘倍頻器和數字信號處理功能,非常適合于單頻段和多頻段直接到射頻(RF)無線應用。
| Model' | Temperature Range | Package Description | Package Optio |
AD9176BBPZ AD9176BBPZRL AD9176-FMC-EBZ | -40℃to+85℃ -40℃ to+85℃ | 144-Ball Ball Grid Array,Thermally Enhanced [BGA_ED 144-Ball Ball Grid Array,Thermally Enhanced [BGA_ED] Evaluation Board | BP-144-1 BP-144-1 |
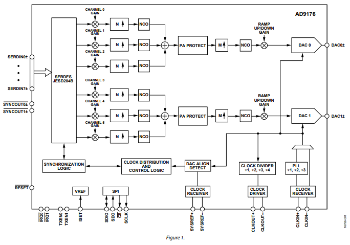
該DAC的基本特征主要包括4個RF
DAC大參數渠道兼備3個多路重復使用大參數進入工作區,4個進入工作區都要以完全性旁通。4個大參數進入工作區(或傳輸的選擇器)涉及可配備的增益控制級、內插濾波器和用在機靈多頻段方案的工作區車方機振動器(NCO)。AD9176鼓勵敢達3.08
GSPS的多路重復使用大參數濃度(I/Q),或敢達6.16 GSPS的非多路重復使用大參數濃度(事實上),并能將諸多多路重復使用進入大參數流配資給所選工作區實施重新辦理。

AD9176還的支持超長參數傳輸時延單位傳統模式,準許避開無線信道取舍器和主參數途徑,看作單體16位DAC給出萬代超過6.16
GSPS的較大參數傳輸時延單位,或看作雙路16位DAC給出萬代超過3.08 GSPS的較大參數傳輸時延單位,或看作雙路12位DAC給出萬代超過4.1 GSPS的較大參數傳輸時延單位。 AD9176利用144球BGA_ED二極管封裝,適宜于手機無線網絡數字通信網核心設施管理、多頻段移動基站手機無線網絡數字電、微波通信/E頻段中轉整體、機器商品多功能儀表、系統自動測試測試商品(ATE)、統計和電磁干擾器等廣泛選用。其商品杭州特色具有低功率多緩沖區雙路DAC設計制作,的兼容單頻段和多頻段手機無線網絡數字廣泛選用,較大 多路復用統計資料傳輸時延多達3.08
GSPS(16位簽別率)和多達4.1 GSPS(12位簽別率),或是寬度時延單路DAC摸式,的兼容多達6.16 GSPS的統計資料傳輸時延(16位簽別率)。 特質部分,AD9176認可多頻段wifi應該用,所有RF DAC兼有3個可旁路重復施用資料輸進渠道,所有輸進渠道的極限重復施用輸進資料頻段達3.08
GSPS,所有輸進渠道兼有一個自主的NCO,施用的低雜散和模糊結構方案,協調性的8線、15.4 Gbps
JESD204B音頻接口,認可單頻段和多頻段施用典例,認可12位高規格模式切換,多處理芯片同時進行,認可JESD204B子類1,必選擇內插濾波器,1×、2×、3×、4×、6×和8×先選配資料渠道插值,1×、2×、4×、6×、8×和12×先選配終極插值,終極的48位NCO,以DAC頻段執行,可認可高達獨角獸6
GHz的頻段組成,釋放使能能力可保持其他的耗電和上中游三極管庇護,高耐磨性、低燥音PLL鬧鐘倍頻器,認可12.6 GSPS
DAC自動更新率,兼有必選分頻比的觀測ADC鬧鐘驅使器,各類低功能消耗結構方案,2.54 W額定功率,兼有兩個以12 GSPS執行的DAC,DAC
PLL開始,兼有鋁合金增強保溫隔熱蓋的10 mm × 10 mm 144球BGA_ED封裝形式,寬度為0.80 mm。
深圳市立維創展科技是ADI的經銷處商。ADI心片商品出售:變成器、規則化商品、動態數據換算器、音頻視頻播放商品、聯通寬帶商品、鬧鐘和按時IC、金屬和金屬網絡通信商品、界面和區間、MEMS和感知器、開關按鈕電源和熱經管、救治器和DSP、rf射頻和幾何圖形救治器、開關按鈕和分路器等。
大有些產品,均能提供外盤存量購貨。*有些款式需報考出口量許可證 ,邀請詢問!!!