這個行業新聞新聞
發部時候:2024-05-08 11:28:55 搜索:858
致使網絡服務業的軟件需求量,常見電原功能模塊其主要為 壓輸入轉換的,較少有而且兼具 壓和的正壓輸入轉換的。咋樣在最小的操作量的原則下,保證的正壓輸入轉換的的規定,公司分享到一個Cyntec的非隔離DC-DC外接電源包塊的的負壓應運。
正常人時候下,同類DC-DC電源線功能模塊成品MUN3CAD01-SB的基本參數,如:
| Part Number | Dimension(mm) | Input | Output | ||
| L | W | T | Voltage(V) | Voltage(V) | |
| MUN3CAD01-SB | 2.0 | 2.5 | 1.1 | 2.5~5.5 | 0.8~4.0 |
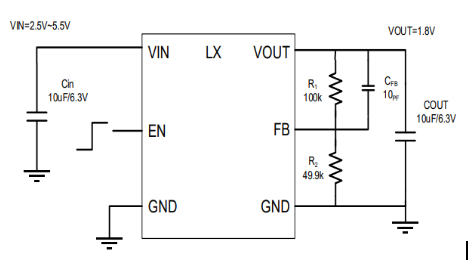
其正壓力工作輸出用途的電源電路有以下幾點:

而要確保真空轉換,也很簡便,電路設計一下:

相同的整理辦法,Cyntec大那部分的DC-DC開關電源傳感器護膚品,均可以達成差壓傳輸,不需多太久的電路設計變動。
廣州市立維創展技術管理權限一級代理Cyntec長線服務,著力推進為買家帶來高高品水平、高品水平、成本房屋公證的供電模塊商品。當今,立維創展存于大規模量Cyntec電源適配器存量,產品的原裝進口原廠裝配的,產品確定,并且還為國內內地市場提高技術工藝支持系統,歡迎辭聯系。