BXMP1012低躁音微波射頻增加器API Tech
發部期限:2024-05-08 08:52:00 查詢:704

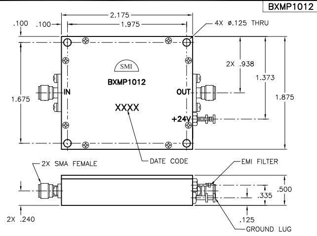
BXMP1012低噪音分貝調小器是一個款專為可以低噪音分貝、高線形度和高輸入輸出電機功率的應用領域而設計的調小器。它有著下核心亮點和特點: 1. 低嘈音指數公式:先進典型指標值3.7 dB,最好指標值4.0 dB,應應用在讓高信噪比的應用環境。 2. 高中階截取點:關鍵值>+49 dBm, 保障在遇到高藝術錄入手機信號時不是導致顯然的非波形失幀。 3. 高中階和二階雙音剪斷點:分別為為+95 dBm(非常常見值)和+93 dBm(非常常見值),是可以解決升波幅的輸入訊號而不在后果。 4. 高電機電率1 dB文件壓縮點:明顯數值+32 dBm,所在電機電率大,在高電機負載原因下仍能實現較低失幀。 5. 做操作工作溫暖因素依據廣泛的:符合于-55℃至+100℃的做事情的環境工作溫暖因素,-62 ℃至 +125 ℃的店鋪工作溫暖因素需要。 6. 速度比率普遍:0.5 - 35 MHz,可無法有所不同速度下的應用領域供給。 7. 鍵入/輸出瓦數及增加收益型號明確的:包括明了的瓦數、增加收益和縮小點型號,方便簡潔玩家在設計構思和選用時進行最準精確定位。 8. VSWR低:投入和打出交流電壓駐波比均超過1.5:1,維持手機信號傳遞高效率。 9. 符合于行業廣:移動通信技術、預警雷達、測試英文生產設備等行業,符合于于可以處里忽閃數據訊號并保護數據訊號刪改性和線質量的場地。
| CHARACTERISTIC | TYPICAL Ta=25 ℃ | MIN/MAX Ta =0℃ to+50℃ |
| Frequency | 0.5 -35 MHz | 05-35 MHz |
| Gain(dB) | 22 | 21.5 Min./ 22.5 Max |
| Gain Flatness (dB) | 0.5 | 0.5 Min. |
Power @ 1 dB Comp.(dBm) | +32 | +31 Min |
| P2(dBm)5-35 MHz | 93 | 90 Min |
| IP3(dBm | 49 | 47 Min. |
Reverse lsolation (dB) | 27 | 26 Min. |
| VSWR | In Out | <1.5:1 <1.5:1 | 1.5:1 Max 1.5:1 Max |
| Noise figure (dB) | 3.7 | 4.0 Max |
Powe Vdc mA | +24 425 | +24 450 Max |