制造業方式
上線期限:2024-04-17 09:07:34 搜素:1003
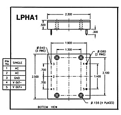
PICO 的 LPHA1/PHA1 AC-DC 轉換器是通用交流輸入與全球直流應用的理想選擇。搭配 PICO 的 LPD、PD 和 HPD 系列 DC-DC 轉換器使用,可獲得范圍從 3.3 VDC 到 350 VDC 的各種直流輸出,包括單路和雙路輸出。其獨特的 365VDC 穩壓輸出使之可直接用于許多激光和電機應用。無論在何種應用下,PICO 始終致力于優化尺寸、可靠性和成本。


主要特點:
- 適合 EN/IEC 6100-3-2 標準要求- 適用錄入交流電壓的范圍:85至250VAC- 高熱效率條件:0.99*- 高效化率:90% 或極高- 讀取工作效率:- PHA1型到達500瓦**(110 VAC 降額至85VAC,強度為每伏1.2%)- LPHA1型到達250瓦**(110 VAC 降額至85VAC,速率單位為每伏1.2%)- 穩壓模擬輸出(365VDC)其他特性:
- 設置頻帶寬度:47至440Hz- 載重時的工作輸出電流容差:± 2%- 輸出電壓紋波:- PHA1:10V峰-谷值,過載,帶470UF電感器- LPHA1:10V峰-基線,載滿,帶250UF濾波電袋子- 業務氣溫范圍圖:0oC 至 +85oC- 打火電流量典型的值:- PHA1:25-40A至120VAC- LPHA1:15-20A至240VAC- 短路等問題護理:- PHA1型需投入10AMP便捷擊穿安全絲- LPHA1型需發送5AMP最快燒毀穩定絲- 體積:- PHA1:7.2盎司(231克) 典例- LPHA1:3.5盎司(112克)該款型作品變換器也扶持網絡數據,可協調PICO的LPD-PD-HPD款型作品,作為了大量的相電壓條件,適宜于單路和雙路輸出。如無需求量,請資詢公司,熟知 變現 PICO 大多數 1000 倆個電源開關變換器的網絡數據結構設計,為您作為了從 2.0 VDC 到 5,000 VDC 的能力。東莞市立維創展高新科技是PICO大公司的零售商商。能提供進口的PICO外接交流交流電源接口交流交流電源、軍工用外接交流交流電源接口交流交流電源、直流電外接交流交流電源接口交流交流電源、大型配電變壓器、MIL-PRF-21038/27型號規格箱式低壓變壓器、智能箱式低壓變壓器、400 MHz電力設備變電器、MIL-STD-1553數據接口電抗器、音視頻電抗器、工作工作功率電感、徽型工作工作功率電感、EMI電感、薄DC-直流變壓器供電模組、軍用裝備DC-DC24v電源模快、磚塊DC-DC供電信息模塊、進行高壓DC-DC、AC-DC24v24v24v電源適配器適配器包塊24v24v24v電源適配器、打開整流24v24v24v電源適配器適配器包塊24v24v24v電源適配器、隔離開24v24v24v電源適配器適配器包塊24v24v24v電源適配器、航空運輸24v24v24v電源適配器適配器包塊24v24v24v電源適配器等性能24v24v24v電源適配器適配器包塊24v24v24v電源適配器和電功率裝換器。原廠物料原裝進口,性能絕對,誠邀詳詢。
淘寶手機端理解PICO外接電源模快請點://anchor-appliance.cn/brand/15.html