該行業報告、短視頻軟件
發部時光:2024-03-22 09:58:06 搜素:1062
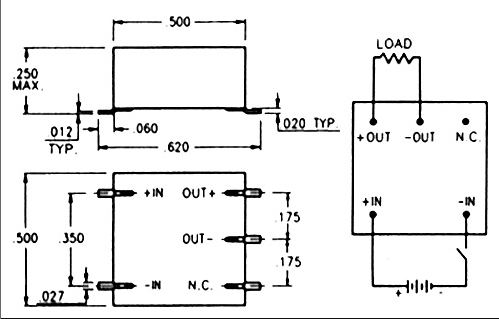
PICOAT-SAT系列的是防護式單路雙路的輸出直流電壓DC-DC轉換成器,可以在-25°C至+70°C的寬濕度位置內穩定可靠工作任務,不用木制托盤的水冷暖氣片或降額進行處理。而且,自帶的的輸出直流電壓電容(電容裝修設計)器和六個便宜的鍵入直流電壓首選項(3V、5V、9V、12V)益于我們簡單用電線路裝修設計。

AT底視圖 SAT底視圖
PICO AT-SAT系展示很多種具體型號查詢會選擇,每個具體型號查詢都兼具太低的電流值值損耗。所在精度直流電壓為3.3-15V,最大的環境下電流值值50-227mA,所在精度額定功率達0.75W,該準換器利用半導體器件超小規模封口形式,封口形式圖片尺寸為0.5”x0.5”x0.2”。
| 串聯AT-SAT單路輸出 | |||||||||||
| PICO 插件 部件 號 | PICO 表面 貼裝 零件 編號 | 輸入 電壓。 (V直流) | 輸出 電壓 (V直流) | 最大負載 電流 (mA) | 最大輸出 功率 (瓦) | 典型 值 ( % ) | 電流 典型 值(mA) | 輸出 電壓 紋波 @滿 載* (Vp-p max) | 空載 電流 (典型 值) (mA) | 電壓 容差 (V DC) | 價格 (美元) |
| 3AT3.3S 3AT5S 3AT5.2S 3AT9S 3AT12S 3AT15S | 3SAT3.3S 3SAT5S 3SAT5.2S 3SAT9S 3SAT12S 3SAT15S | 33 3 3 3 3 | 3.3 5 5.2 9 12 15 | 197 130 125 83 63 50 | 0.65 0.65 0.65 0.75 0.750.75 | 61 66 66 70 72 73 | 355 328 328 357 347342 | 0.20 0.20 0.20 0.20 0.20 0.20 | 35 35 35 3535 35 | ±0.20 ±0.25 ±0.25 ±0.30 ±0.40 ±0.40 | 115.98 115.98 115.98 115.98 115.98 |
| 5AT3.3S 5AT5S 5AT5.2S 5AT9S 5AT12S 5AT15S | 5SAT3.3S 5SAT5S 5SAT5.2S 5SAT9S 5SAT12S 5SAT15S | 55 5 55 5 | 3.3 5.2 9 12 15 | 227 150 144 83 63 50 | 0.75 0.75 0.75 0.75 0.750.75 | 64 69 69 72 75 76 | 234 217 217 208 200 197 | 0.20 0.20 0.20 0.20 0.20 0.20 | 25 25 25 2525 25 | ±0.20 ±0.25 ±0.25 ±0.30 ±0.40 ±0.40 | 115.98 115.98 115.98 115.98 115.98 |
| 9AT3.3S 9AT5S 9AT5.2S 9AT9S 9AT12S 9AT15S | 9SAT3.3S 9SAT5S 9SAT5.2S 9SAT9S 9SAT12S 9SAT15S | 99 9 99 9 | 3.3 5 5.2 9 12 15 | 227 150 144 83 63 50 | 0.75 0.75 075 0.75 0.750.75 | 65 70 7072 78 80 | 128 119 119 116 107 104 | 0.20 0.20 0.20 0.20 0.20 0.20 | 15 15 15 1515 15 | ±0.20 ±0.25 ±0.25 ±0.30 ±0.40 ±040 | 115.98 115.98 115.98 115.98 115.98 |
| 12AT3.3S 12AT5S 12AT5.2S 12AT9S 12AT12S 12AT15S | 12SAT3.3S 12SAT5S 12SAT5.2S 12SAT9S 12SAT12S 12SAT15S | 12 12 12 12 1212 | 3.3 5 5.2 9 12 15 | 227 150 144 83 63 50 | 0.75 0.75 0.75 0.75 0750.75 | 66 71 71 73 78 80 | 95 88 88 86 80 78 | 0.20 0.20 0.20 0.20 0.20 0.20 | 88 8 88 8 | ±0.20 ±0.25 ±0.25 ±0.30 ±040 ±0.40 | 115.98 115.98 11598 115.98 115.98 |
| 串聯 AT-SAT 雙輸出 | |||||||||||
| PICO 插件 部件 號 | PICO 表面 貼裝 零件 編號 | 輸入 電壓。 (V直流) | 輸出 電壓 (V直流) | 最大負載 電流 (mA) | 最大輸出 功率 (瓦) | 典型值 (%) | 電流 典型 值(mA) | 輸出 電壓 紋波 @滿 載* (Vp-p max) | 空載 電流 (典型 值) (mA) | 電壓 容差 (V DC) | 價格 (美元) |
| 3AT5D 3AT9D 3AT12D 3AT15D | 3SAT5D 3SAT9D 3SAT12D 3SAT15D | 33 3 3 | 59 12 15 | 65 41 31 25 | 0.325 0.375 0.375 0.375 | 66 70 72 73 | 328 357 347 342 | 0.20 0.20 0.20 0.20 | 35 35 35 35 | ±0.25 ±0.30 ±0.40 ±0.40 | 130.66 130.66 130.66 130.66 |
| 5AT5D 5AT9D 5AT12D 5AT15D | 5SAT5D 5SAT9D 5SAT12D 5SAT15D | 59 12 15 | 75 41 31 25 | 0.375 0.375 0.375 0.375 | 69 72 75 76 | 217 208 200 197 | 0.20 0.20 0.20 0.20 | 35 25 25 25 | ±0.25 ±0.30 ±0.40 ±0.40 | 130.66 130.66 130.66 130.66 | |
| 9AT5D 9AT9D 9AT12D 9AT15D | 9SAT5D 9SAT9D 9SAT12D 9SAT15D | 99 9 9 | 59 12 15 | 75 41 31 25 | 0.375 0.375 0.375 0.375 | 70 72 78 80 | 119 116 107 104 | 0.20 0.20 0.20 0.20 | 15 15 15 15 | ±0.25 ±0.3 ±0.40 ±0.40 | 130.66 130.66 130.66 130.66 |
| 12AT5D 12AT9D 12AT12D 12AT15D | 12SAT5D 12SAT9D 12SAT12D 12SAT15D | 12 12 12 12 | 59 12 15 | 75 41 31 25 | 0.375 0.375 0.375 0.375 | 71 78 78 80 | 88 86 80 78 | 0.20 0.20 0.20 0.20 | 8 8 8 | ±0.25 ±0.30 ±0.40 ±0.40 | 130.66 130.66 130.66 130.66 |
西安市立維創展自動化是PICO總部的渠道代銷商。保證進口貨PICO供電包塊、軍用裝備供電包塊、超高壓供電包塊、微型箱式變壓器、MIL-PRF-21038/27技術參數電壓器、脈沖激光電壓器、400 MHz電力設備干式變壓器、MIL-STD-1553插口低壓箱式變壓器、音視頻低壓箱式變壓器、最大電率電感、小形最大電率電感、EMI電感、薄DC-電流電壓組件、軍工用DC-DC供電引擎、磚塊DC-DC電原控制模塊、高壓低壓DC-DC、AC-DC電控制控制器控制控制器、啟閉直流電電控制控制器控制控制器、隔開電控制控制器控制控制器、中國航空電控制控制器控制控制器等作用電控制控制器控制控制器和工作效率轉化器。原裝國外軟件國外,重量以確保,歡迎辭聯系。
詳細情況熟知 PICO電源適配器信息模塊請超鏈接://anchor-appliance.cn/brand/15.html