企業信息
發布公告準確時間:2024-03-18 17:08:10 閱覽:826
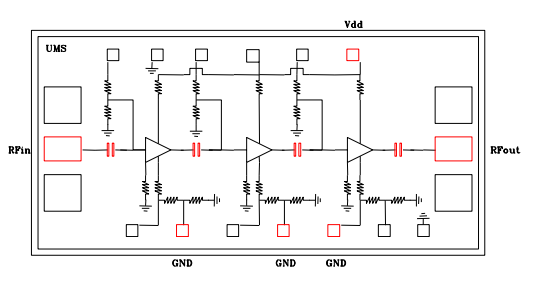
UMS的CHA2069-99F是款三級職業資格證書自偏置帶寬單支低背景噪聲增加器。
CHA2069-99F便用標準 pHEMT 施工生產工藝流程性:0.25μm 柵極寸尺、橫穿基材的通孔、大氣橋和電子元器件束柵星空刻系統。
CHA2069-99F以存儲芯片形式 提供數據。

通常基本特征
帶寬耐熱性16-31GHz
2.5dB相位躁聲
低直流變壓器電功效耗損,55mA
20dBm三階截距點
封裝面積:2170 x 1270x0.1mm
廣州市立維創展科技開發不足機構認證經銷商UMS微波通信,對於位置參數的UMS車輛作為高質量的外盤車輛庫存盤點,歡迎會咨詢中心。