產業新聞咨詢
分享時間間隔:2024-03-07 17:15:25 瀏覽記錄:839
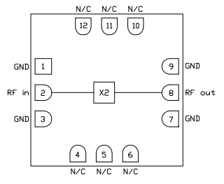
Custom MMIC的CMD227C3是款所采用陶瓷制品QFN型打包封裝的帶寬MMIC GaAs x2無源倍頻器。當由 +15 dBm 數據信息驅動下載時,CMD227C3在23 GHz輸出的頻率下應具 11 dB 有效的轉化不足。Fo 和3Fo 防護度不同是 38 dBc 和 49 dBc。CMD227C3選則 50 Ω匹配制定,不必須 RF 端口號適用。

有特點
低轉化率自然損耗
比較好的Fo 隔離
寬帶網絡耐腐蝕性
不能不嫉妒
考慮 RoHS 標準的化的無鉛 3x3 mm SMT 封裝類型的方式
典型案例廣泛應用
電子戰(EW)
X股票波段汽車雷達
Ku頻譜雷達探測
區域環境環境空間
定位通信網絡(Satcom)
Custom MMIC創于于2006年,是家無晶圓頻射和紅外光MMIC構思企業,CUSTOM MMIC助力中小型企業食用同樣的型中更好的MMIC改善我們的微波射頻數字信號鏈。CUSTOM MMIC是完善的ISO認正設計的師和相近型最棒MMICs生產商商。CUSTOM MMIC出具繼續增長期的高特性頻射/徽波MMIC新產品鏈。
QORVO看作美最有名的的微波加熱與公分波專業加工生產制造商,為世界各地級粉絲具備極高標準的GaN和GaAs成品,Qorvo在2020年成功完成Custom MMIC購置。
鄭州市立維創展科技信息限制單位受權加盟賣出Custom MMIC商品線,如果具體需求喜歡咨詢了解咱們!!!