的行業信息
發布了時間段:2024-03-01 17:08:29 訪問 :820
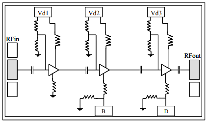
UMS的CHA3689-99F是款三級自偏置寬帶網絡單支低嗓聲縮放器。
CHA3689-99F被設置用做從航空航天中國軍事到商用通訊設備系統的單一化使用的。CHA3689-99F所用pHEMT工藝設備技巧,柵極尺碼為0.25um,通孔橫穿柔性板,空氣中橋和網上束柵北極光刻新技術。
CHA3689-99F供應處理芯片結構。

結構特征
光纖寬帶耐磨性:12.5-30GHz
2.0dB相位燥音
26dB收獲值(12.5-26GHz)
26dBm傷害IP3(18-30GHz)
低直流變壓器電的功能耗率
整流電偏置電阻值:Vd=4伏,Id=90/120mA
封裝類型規格尺寸:2.45 x 1.21 x 0.1mm
蘇州市立維創展高新科技現有工廠授權管理銷售UMS徽波,面對環節類型的UMS物料保證好的現貨平臺物料存貨,青睞諮詢。