服務業資訊、短視頻軟件
推送日子:2024-02-26 17:17:51 瀏覽訪問:1230
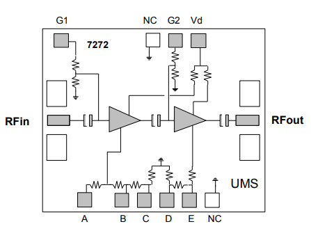
UMS的CHA2066-99F是款二級寬帶網絡單面低躁音放縮器。
CHA2066-99F用于標準的HEMT加工制作工藝 技術性:0.25um柵極盡寸、橫穿基材的螺孔、氧氣橋和微電子束柵幻影刻技術水平。
CHA2066-99F以處理芯片模式,供給。

重要顯著特點
網絡帶寬效果10-16GHZ
2.0db相位躁聲,10-16GHZ
16db增益值值,+0.5db增益值值凹凸不平度
低直流變壓器功能表損失,50MA
20dbm三階截距點
打包封裝外形尺寸:1.52 x 1.08 x 0.1mm
山東市立維創展科枝不足工廠授權文件代理商UMS微波加熱,面對部件參數的UMS物品給出高質量的現貨交易物品庫存量,歡迎語在線咨詢。