這個行業介紹
正式發布時間段:2024-01-12 16:59:19 查詢:1198
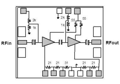
CHA2063A99F是款多級帶寬片式低噪音分貝變成器。
CHA2063A99F以處理芯片性質生產。電源模塊電源電路采用PHEMT生產制造系統,0.25um柵極面積,橫穿基鋼板的通孔,氣橋和電子束門光刻新技術。
CHA2063A99F有基帶芯片形態。

首要的特征
網絡帶寬特點7-13GHZ
2.0db燥音因子,8-13GHZ
19db收獲值
低直流電壓能力衰減,40MA
18dbm三階截距點
封裝寸尺:1.52x1.27x0.1mm