職業手游資訊
上傳時間段:2018-08-27 11:37:58 手機瀏覽:1892
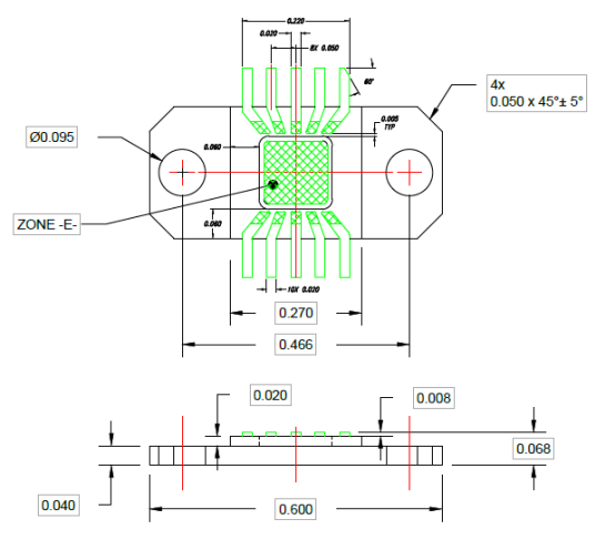
AMCOM的GaAs MMIC PAs系食品,最近幾天推出了EM 封裝形式,是替換過后的FM裝封的,開展的前景每到兩年時間后整體轉調成EM, FM從未還可以再次訂購。 EM的特點有效,更有優勢。
EM芯片封裝的設計效果圖

注音:
1、鑄件/物料申報單:
|
簡述 |
原料 |
|
引線框架結構 |
銅 |
|
環框 |
腐蝕鋁的多種類型1 每ASTM d2442 |
|
輪緣 |
CuW (75W;25Cu) |
1.1物料和/或營造的過程的一切轉移應以予以的形式獲得許可。
1.2擁有搬卸物料的了解證實書應存檔不多于5年。應按追求提拱資格證掃描件。
2、讓:
3、2.1鎳板標準要求:
2.1.1電鍍件寬度:100微5英寸很小氨基磺酸鎳在部分-E的管理中心校正。
2.1.2鎳機的薄厚數據信息應保存圖片在文件格式中,并據客服需求出具數據信息。
2.2金板特殊要求:
2.2.1電鍍應不符合MIL-STD-4204,第1類,III型的分類管理耍求;在金礦石床中,鉈是有光澤劑或晶體明確責任劑的的使用是阻止的。
2.2.2金色度講解證件應由批售商提高,僅作不短于達到五年。應必須投資者提高證件復印。
2.2.3鍍后寬度:最低50屏幕尺寸,至少衡量位置E--。
3、檢查/檢測:
3.1粘膠劑接線頭:
3.1.1鍵合頁面為90%無空隔。
3.2.2在混物物到法蘭部粘結直接頭中的間隙或不陸續性是可聯受的,明文規定彩盒短信通道具備有外泄一樣性,MI-STD-883技巧1014.10C。
3.2比較平整度:
3.2.1區-E(交叉重合城市)為0.0010平。
3.3位置合適:
3.3.1整合物對蝶閥法蘭的角向排例,極大3°。
3.4熱時間是:
3.4.1渡金應在氣流緊張感中做320°C±5°C,長期57分鐘±30秒。經歷過熱補救包裝機。
3.4.2引線拉力:引線在拉90°到環框水平線應該擁有最長0.66磅珍惜生命原則面。
3.4.3可焊性:引線應按MIL-STD750,方式2026可焊(省略除機會本身的水蒸汽老舊化)。
3.5丟開泄密應在法蘭部和引線中的200 VDC處為1微安,并誘發引線。
3.6引線框無法覆蓋到環框空腔表面。















更高的情況,請聯系起來企業微信客服!!!