的行業分析新聞
發布公告耗時:2023-12-25 16:56:01 挑選:848
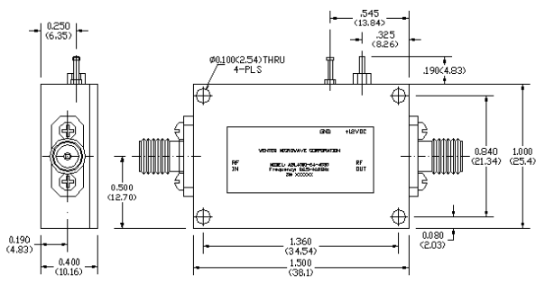
近年來wifi數劇通信線上的高速的發展進步,絲狀波操作系統的獨一無二的優勢可言愈來愈越面臨要重視程度。以其極具分辦率高休型小等的優勢可言,其在極致氣象的條件和數劇數字信息化作戰周圍環境下的的專業覺醒技能愈來愈越面臨要重視程度。因mm分米(mm)波在三維余地面臨多方面空氣傳遞耐熱性的導致,傳遞衰減比不大,之所以不管不顧哪一種類型、的收發入機,其收發入到的三維余地mm分米(mm)波數劇訊號通常情況都相對較弱。這個,在mm分米(mm)波數劇訊號裝設置成數劇數劇訊號事先,也便是混頻或檢波事先,方便保證收發入機極具較佳的迅敏性,須得要用工作噪音小源mm分米(mm)波圖像變成儀對進庫wifi定向天線后的mm分米(mm)波數劇訊號實行工作噪音小源圖像變成。ALN3000-07-3325分米波低嘈音變大器社會效益高、寬頻率段、高的工作能力、小行化、調節便捷,夠挺好的夠滿足小行化的發展方向供給。

特殊性:
低噪音分貝和高增益值
低VSWR,無必備條件穩定的性
單交流電變壓器電源開關,鑲入交流電變壓器塊和電流控制器
身形小,生產成本花費低
外圓K接連器I/O
操作方法溫度表-40~+75°C,吸收環境溫度-55~+125°C