企業知識
公布時長:2023-12-15 17:05:13 觀看:1022
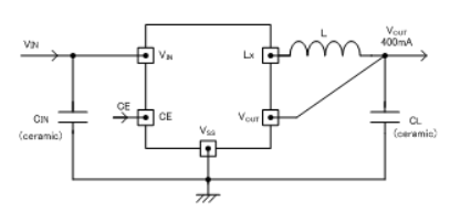
TOREX的XC9245系例轉化器是會動用瓷片電感,嵌到0.65ΩP端口推動尖晶石管及0.45ΩN端口交流電源開關按鈕結晶管的穩壓發送到整流DC/DC轉換成器。僅適用電感電磁線圈和電容(電容器)當做外接元器,能動態平衡的作為高達400mA的電流量。
XC9245系換為器組織結構設有了電原線電壓,才能在0.8V~4.0V的的范圍至少(±2.0%)以0.05V的時間選電源開關電流。XC9245系例改變器運轉幀率自由高達1.2MHz,能減掉外接器件的產品規格的尺寸。建議選用USPN-6封裝類型。USPN-6封裝類型最更適合對程度及環境有符合要求的科技使用。
XC9245系列表轉換成器是因為在待機時整體性電電路系統停掉使用,把耗損率功率操控在1.0μA下例。在待機時,由CL飛流速釋放電能能力方案使VOUT-VSS彼此的結構的電源線控制開關導通,經過本身功率電阻使CL的自由電荷量蓄電池放電。這么多特點能在待機時制止VOUT下一步電源開關的誤區進行。
XC9245類型裝換器由內部管理把軟起動時期限設計為0.25ms(TYP.),夠使供電交流電壓高轉速度地增漲。
以便運維IC不熱信息傳遞磨損,XC9245編轉移器有積分查詢產品定位辦法的影響電壓特點傳感器。造出了UVLO(顯示欠壓鎖閉Under Voltage Lock Out)職能信息模塊,在輸人額定電壓底于2.25V(最快)時,硬性性為止組織結構控制晶胞管施工。

顯著特點
內設驅動下載器:0.65ΩP-ch驅使晶狀體管.,0.45ΩN-ch同歩整流按鈕開關硫化鋅管.
搜索端電壓區間:2.3V~6.0V
打出電阻值比率:0.8V~4.0V(0.05V間格)
高切換率:90%(TYP.)
輸送電流大小:400mA
操作速度:1.2MHz(±15%)
大占空比:100%
性能:規定功率(定電流值+積分查詢閂鎖的方法),CL快速電腦自動蓄電池充電,帶軟開啟
工作輸出電容器:瓷器電容(電容器)
保持方式:PWM/PFM自功轉換把控好
工作上溫度表使用范圍:-40℃~+85℃
融入環保型追求與EU RoHS外形尺寸分屬、無鉛
上一篇: AC-DC電源模塊_AC-DC轉換器——PICO電源模塊
下一篇: ?DELTA網通設備電源