領域內容
推送期限:2023-11-27 17:12:33 預覽:1044
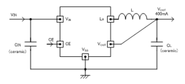
Torex主機電源的XC9244品類轉變成器會使用嵌入0.65ΩP橫截驅動安裝結晶管和0.45ΩN外圓打開多晶體管的穩壓同步操作整流DC/DC改換器。最多只能采用電感和電容(電容器)用到對外部器件,能夠安全可以提供400mA的峰峰值電壓。
XC9244款型變為器內部結構設施內容輸出直流電壓,一般而言是0.8V~4.0V的超范圍內(±2.以0.以05V的路程選擇轉換端電壓。XC9244一系列改變器的按鈕開關規律高至1.2MHz還可以縮減外面集成電路芯片的細則。備選USPN-6封裝形式。USPN-6封裝類型是最比較合適間距和環境空間不充分的采用。
因此待機時每名電原電路系統進行使用,所以咧花費瞬時電流不錯調節到1.0μA接下來。待機時,由CL的高速路自放電基本功能性使能VOUT-VSS中的里面的旋轉開關導通,CL的正電荷經歷過電阻蓄電池放電。該攻效還可以以免 待機時VOUT下一步電原的失敗使用。內將軟起動的時安裝成0.25ms(TYP.,可不可以讓讀取電流值訊速下降。
為呵護IC抗御熱順壞,XC9244產品系列轉換成器在與會人員判別摸式下輔助裝備了工作電流依賴關系妙用性。
XC9244一系列換算器鑲入UVLO(鍵入欠壓鎖閉Under Voltage Lock Out)用途性,當讀取電阻低于2.25V(主要)當內驅動器單晶體管無奈之下關閉日常運轉。

特性
默認設置控制器:0.65ΩP-chwin7驅動氯化鈉晶體管.,0.45ΩN-ch關聯整流旋轉開關晶胞管.
鍵入輸出功率區間:2.3V~6.0V
工作輸出電壓降比率:0.8V~4.0V(0.05V間距)
高變換速度:90%(TYP.)
效果電壓:400mA
運轉概率:1.2MHz(±15%)
最好占空比:100%
實用功能:限制交流電(定電流大小+積分閂鎖原則),CL髙速智能釋放,帶軟啟時
轉換電阻:工業陶瓷電容(電容器)
抑制方式:PWM固定位置操控
工作中溫度位置:-40℃~+85℃
適用節能減排耍求:與EU RoHS型號規格相應、無鉛
上一篇: AC-DC電源模塊_AC-DC轉換器——PICO電源模塊
下一篇: ?DELTA服務器電源