該行業新聞
頒布耗時:2023-11-24 17:19:34 瀏覽網頁:925
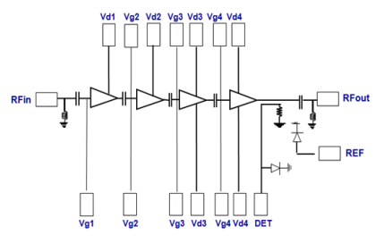
CHA6653-98F是款4級片式Gaas高功效增加器,并能出現1.8w的輸出精度工作效率。CHA6653-98F是高寬比線形的,享有增益調整調整效能,并集成化化電功率檢側器。涵蓋ESD保護措施。
CHA6653-98F專為電信寬帶操作要來設計。
CHA6653-98F所用PHEMT的技術的技術,柵極尺寸為0.15um。

具體有特點
帶寬特點:27-34GHZ
32dbm是處于飽和狀態馬力
38dbmOIP3
23db增益控制值
直流電電偏置工作電壓:Vd=6伏ldq=0.9A
封口寸尺3.61x3.46x0.07mm