行業領域咨詢
分享時段:2023-11-15 17:03:45 看:903
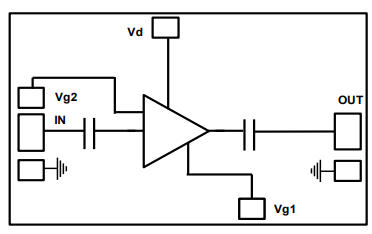
UMS的CHA3024-99F是個可調節收獲把握系統(AGC)依托于的區域式低噪音污染縮放器,聲音頻率范圍之內在2到22GHZ彼此。
CHA3024-99F一般而言采用于廣泛性的采用中,如網上戰、XandKu雙向wifi手機微波通信和檢查測量機械設備。
CHA3024-99F運用0.PHEMT新技術,柵極大小為15um,柔性板面有通孔、暖空氣橋和光柵光刻技術。
CHA3024-99F以IC芯片類型保證,錄入和傷害RF信號通路可能快捷配對到50ω。

關鍵有特點
寬帶網能:2-22GHz
類型波形增益值值:15db
Vg2可控式增益值值高至30db
P1B:18dBm
Psat:20dbm
OIP3:30dbm
典范相位環境噪聲:3db
整流電偏置端電壓:Vd=5Vd=100MA。Va1=-03VandVa2=1.7V
二極管封裝的尺寸:3.04x1.73x0.1mm