的行業咨詢
更新時候:2023-11-07 17:09:53 瀏覽訪問:956
低的躁聲變小器是種個性化業務類型的耗油率變小器,其應運非常的多方面。低的躁聲變小器在rf射頻和微波通信區域內頗受用戶青睞了會,才可以有郊降低走勢的躁聲,而且把走勢變小到必需要的能力。
ALN0252-10-5307N內聯低噪聲源頻射擴大器在廣大wifi手機安全可靠設備和頻射用依據中兼具比較最重要的做用,出示最大功率擴大電路設計和噪聲源最高化,若想增加發送安全性能、尋址安全可靠設備依據和出示比較最重要資料安全可靠設備。

的特點:
低噪聲和高收獲
低VSWR,無先決條件安全穩判定
身形小,代價學費低
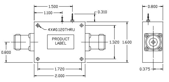
N連接頭手機輸入輸出電壓
單直流電穩壓阻源,內聯交流線電壓緩解器,做寬交流線電壓放入使用范圍
運行溫濕度-40~+85°C,處理具體條件-55~+125°C
WENTEQ提供數據各種各樣的高高質量的頻射和微波加熱成品,交房的時間短速度快,售價有相互市場競爭力。成品包擴同軸相連器和配適器、反復器、防護隔離器、低噪音污染圖像放小儀、瓦數圖像放小儀、光纖寬帶圖像放小儀、接線鼻子、波導元器件等。
廣州市立維創展科學技術是WENTEQ的代理商商,主要的提高WENTEQ好成品還包括環狀器、隔開器、負荷設備等,好成品原裝機進口量,的品質保障,交貨期時期短,收費優勢,熱情接待詢問。
商品詳情認知WENTEQ請點擊進入://anchor-appliance.cn/brand/29.html