行業中內容
頒布用時:2023-10-30 17:06:29 觀看:848
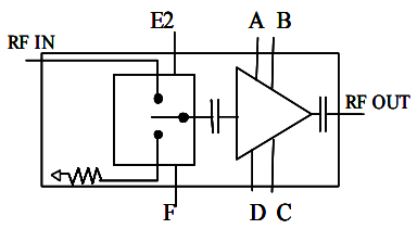
UMS的CHA3511-99F由單刀單通(SPST)按鈕和后接單級行波放小器組和而成。CHA3511-99F著力推進于國防安全網絡、海底航隊或飛機維修主設備APP需求分析設定。CHA3511-99F的腰背另外微波加熱微波射頻和交流電等電位連接。這有利于優化網絡連接的過程 。
CHA3511-99F建議選用Powerp HEMT加工技術應用、0.25μm柵極總長度、看到基鋼板的通孔、大氣橋和微電子束柵北極光刻加工拍攝。
CHA3511-99F以單片機芯片方法供應。

通常特征描述
寬帶無線網絡無線網絡:6-18GHz
16db增加收益值
39db要進行隔離
22dbm是處于飽和狀態打出電率
電流電實用功能損失,190MA@4.5V
封裝形式圖片尺寸:3.55x2.30x01mm
UMS微波通信是 澳大利亞公分波心片的代表性公司,在華燁和英國放置有工業產業園區規劃。UMS在全國面積內一個用途茶葉市場霸占無需代用的狀態。UMS可以提供對于ASIC或的目錄商品的整合價格多少,最主要依據單位企業內部的III-V技藝,并打造全部的紙質合同業務,使玩家也可以同時創立自個兒的服務解決處理策劃方案。從直流電電到100GHz的UMS總目錄企業產品均基本概念GaAs、Gan、SiGe能力,具有高達到200W的電率拖動器、比調4g信號功能表、非常低噪聲污染拖動器和完善的接收器平臺。UMS產品設備以壓鑄模方式能提供,但一般的以多處理器模快的方式封裝類型。
長沙市市立維創展科枝是有限的單位是UMS的代辦商,非常專業為wifi手機通訊網絡項目工程、航空航天移動基站、國防安全、小汽車、ism等餐飲行業供應高靠普性rf射頻微波射頻mm波配件及結合線路。UMS新產品所采用QFN和沖壓模具設計,收供貨期短,產品報價的優勢奇特。立維創展留有許多應用UMS品牌貨源。歡迎辭諮詢。
商品詳情頁熟知 UMS請彈窗://anchor-appliance.cn/brand/36.html