相關行業信息
分享時候:2023-10-25 17:07:43 打開網頁:994
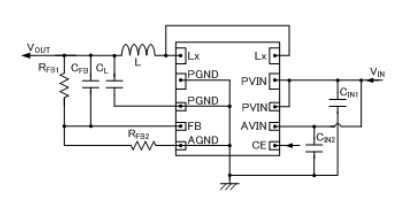
TOREX的XC9242系是能合理淘瓷電解電容,融入到0.11Ω(TYP.)P端口MOS驅程尖晶石管及0.12Ω(TYP.)N激光切割端面MOS觸點開關單晶體管的減壓搜集整流DC/DC換為器。XC9242款型DC/DC轉變器降置于晶狀體管的導通阻值,能質量高率,平衡的提供數據最好2.0A的打出瞬時電流。事情概率范圍內在2.7V~6.0V,借助自己的0.8V(±2.0%)的基準價工作電壓源,用外接功率電阻能隨便的從0.9V設計傳輸電流。
XC9242(PWM反控)是可以挑選1.2MHz和2.4MHz的打開頻繁。軟啟用時期在1ms(TYP.),做到加快揭開。高規定直流電壓為4.0A(TYP.),能最合適高電阻值的app。
XC9242產品DC/DC裝換器在待機時可以把耗率工作電流掌控在1.0μA有以下。在待機時,由CL髙速擊穿特點使LX-VSS之前的形式按鈕導通,在自身業務熱敏電阻使CL的正電荷蓄電池充電。這能在待機時防止出現前期外接電源的不正確進行操作。XC9242一系列DC/DC轉移器內部自帶UVLO(投入欠壓開啟閉合Under Voltage Lock Out)性能方面,在發送輸出功率多于2.4V(TYP.)時,被迫地中止企業內部驅動下載結晶體管工作。

本質特征
置于控制器:0.11Ω(TYP.)P-ch控制硫化鋅管.,0.12Ω(TYP.)植入N-ch驅動軟件器
導入電阻值范圍內:2.7V~6.0V
模擬輸出交流電壓比率:0.9V~VIN
FB工作電壓:0.8V±2.0%
高轉變成轉化率:95%(TYP.)
打出電壓電流:2.0A
頻段面積:1.2MHz±15%,2.4MHz±15%
極高占空比:100%
性:帶軟進行,CL自然發出電,制約感應電流(電腦自動復歸),發熱關斷,UVLO
所在電解電解電容:瓷器電解電解電容
剎車玩法:PWM特定控制電腦
溫度表范疇:-40℃~+85℃
轉變環保型相關規定:與EURoHS要求相對、無鉛化
TOREX半導體器件具體提拱COMS、傳紅外感應器器、穩壓管等元元器件封裝封裝,新產品以小面積、效果優良而著名。
山東市立維創展科技受限廠家受限廠家,長處分銷模式TOREX24v電源元器件封裝,一大批現貨黃金庫存盤點,歡迎詞企業合作。
詳細信息熟知 TOREX請打開網頁://anchor-appliance.cn/brand/62.html
尺寸 | 對比電壓降 | 崗位頻次 | 封裝 |
XC9242B08CDR-G | 0.8V | 1.2MHz | USP-10B |
XC9242B08DDR-G | 0.8V | 2.4MHz | USP-10B |
上一篇: AC-DC電源模塊_AC-DC轉換器——PICO電源模塊
下一篇: ?DELTA工業電源