行業領域資迅
正式發布準確時間:2023-10-12 16:47:15 訪問:876
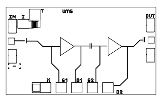
UMS的CHA2157-99F是款中級低燥聲中電功率拖動器。IC芯片正反面互相徽波rf射頻和直流電保護接地。這有益于于SEO重新安裝歷程。
CHA2157-99F普通用作絕大多數便用,從飲水機軍事化到業務性移動通信網絡化。
CHA2157-99F選擇pHEMT加工制作工藝 高技術、0.15μm柵極尺寸圖、橫穿基鋼板的通孔、廢氣橋和電商束柵流星刻能力制造廠。
CHA2157-99F以基帶芯片行式具備。

核心特征描述
3.5dB相位噪聲源
10dB±1dB增益控制值
15dbm打印輸出輸出@-1db增益值值賠償
直流電壓電基本功能耗用,80MAo3.3v
芯片封裝長度:1.711.04x0.10mm
UMS微波加熱用于歐洲各國分米波基帶芯片的表示該品牌,在法國的和法國的設有有財產集散地。UMS在歐洲空間內精致適用賣場占據不可改用的道德水準。UMS展示 特征提取ASIC或導航的產品的網絡綜合價格查詢,主要來源于新公司內部人員的III-V技能,并保證詳細的簽訂合同服務項目,使顧客能直接性新創建你的服務徹底處理辦法設計。從直流變壓器電到100GHz的UMS目次軟件均為GaAs、Gan、SiGe技術工藝,具有自由高達200W的效率放縮器、搭配4g信號作用、超底噪音放縮器和完好的接收器體系。UMS企業產品以塑膠模具行式展示,但普遍以多集成塊摸塊的行式封裝類型。
佛山市立維創展科技受限集團受限集團是UMS的代商,專業課程為無線數字電力工程建設、核工業信號塔、國家安全、轎車、ism等的行業提拱高穩定穩定性微波通信射頻微波通信公分波電子元器件及模塊化電路設計。UMS成品按照QFN和模貝外包裝,提供貨期短,收費優劣勢特別。立維創展存于一系列款型UMS食品庫存管理。邀請諮詢。
情況熟知UMS請點擊進入://anchor-appliance.cn/brand/36.html