領域方式
上傳的時間:2023-10-10 17:07:35 挑選:895
低噪聲放大器是種低噪音、高增益的功率放大器,主要用于放大高頻率系統中射頻信號。工作原理是在傳輸數據之前,根據LNA來拖動走勢并減輕低頻噪音,提高自己控住裝置的噪音分貝數值,以此提高自己收發的走勢的明確度和健康不靠譜性。
ALN0138-40-5307NWrf頻射低噪音拖動器在這些手機無線電訊網絡和rf頻射利用各個領域中起著至關主要的角色,展示工作電壓拖動和噪音非常小化,以此增長傳輸功能、拓展培訓項目光纖通信范圍圖及展示主要的數據信息電訊網絡。

結構特征:
低解決和高增益值
低VSWR,無條件安穩性
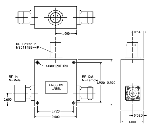
體行小,代價相應費用低
N個弱陽錄入,N個陰性反應導出
應該用于電流穩壓電式源輸人的MS3114E8-4P無線防水連接器
單直流相電流穩電容式源,嵌到相電流轉換器,準許寬相電流手機輸入依據
實際操作水溫0~+50°C,存儲工作溫度-55~+125°C
耐溫性封閉封裝,技術應用于室內超控,邊部漆成暗色
WENTEQ出具各項高產品品質的微波射頻射頻和微波射頻產品,到貨的速度快,定價有競爭激烈力。產品包擴同軸接入器和配適器、間歇器、防護隔離器、低背景噪聲變大器、工作電壓變大器、寬帶網變大器、接線端子、波導pcb板等。
廣州 市立維創展科技公司是WENTEQ的代理商商,重點能提供WENTEQ食品例如方形器、隔離霜器、阻抗移動終端等,食品原裝到口原產,質保障,提貨時間段短,產品報價優越性,歡迎圖片咨詢服務。
詳情介紹掌握WENTEQ請點擊率://anchor-appliance.cn/brand/29.html