相關行業新聞
分享時長:2023-09-13 17:00:00 打開網頁:1298
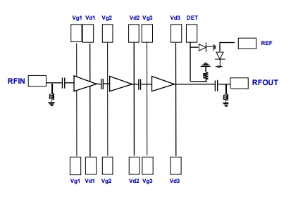
UMS的CHA6652-98F是款四級單支GaAs高額定功率變成器電路設計,就能制造2W輸出電壓輸出最大功率。CHA6652-98F在讀取端集成化化差模工作效率探測器。可能柵極電流,也可以實現了高至15dB的增益值操控。
CHA6652-98F是依據實地現場確認的點半到點中國移動在線軟件應對計劃。CHA6652-98F電路設計體現了較高曲線度,并與去代數值預失幀兼容性測試。其少用處偏置電阻原則重要于調節耐磨性。
CHA6652-98F線路選擇使用內外部pHEMT區域空間評價施工工藝高技術,柵極的尺寸為0.15μm。

大部分特性
光纖傳輸移動寬帶的性能:21-27.5GHZ
33dbm飽和點馬力
39dbmOIP3
22.5db增加收益值
增加收益控制高至15db
直流電源電偏置交流電壓:Vd=6伏0ld=1.3A
芯片封裝尺寸圖3.46x361x007mm
UMS微波射頻作歐州毫米(mm)波處理芯片的代表性企業品牌,在瑞士和美國設備有產業群集地。UMS在全球性領域內中低端選用賣場占用不可代替品的價值。UMS提供了依據ASIC或子目錄類產品的標準化新報價,主要的根據裝修公司企業內部的III-V科技,并能提供逐步的合同文本服務質量,使企業還可以直接的搭建自我的車輛處理設計。從直流電源電到100GHz的UMS目錄格式廠品均依據GaAs、Gan、SiGe新技術,有超過200W的功效調小器、混合著電磁波能力、超高嘈音調小器和齊全的傳輸器平臺。UMS類產品以注塑模具方法打造,但通常情況以多處理器傳感器的方法封裝形式。
東莞市立維創展科技裝修公司有限裝修公司英文裝修公司是UMS的一級總代理,正規專業為遠程通迅工程項目、航天工程移動信號塔、防御、二手車、ism等領域供應高可靠的性頻射微波射頻公厘波一體化控制電路芯片及一體化控制電路。UMS車輛主要包括QFN和塑膠模具產品包裝,交房期短,多少錢優質獨特性。立維創展可存一系主要參數UMS護膚品庫存管理。迎接咨詢了解。
情況學習UMS請點一下://anchor-appliance.cn/brand/36.html