服務業快訊
上架日子:2023-09-13 16:43:14 手機瀏覽:859
低躁音拖動器是種特殊的的光學元器件封裝拖動器,重點使用在網絡通信技術控制模式里將考慮自無線的公率拖動,有幫助于后級的通信技術裝備處置。常見是因為收入于無線的數據源幾乎都極度單薄,低躁音拖動器一般說來問題下都屬于極度介于無線的具體位置,以以減少數據源,并按照數據源線的耗損率。是這樣的有源無線的配置重點應使用在定位網站導航控制模式(GPS)等徽波裝置上。
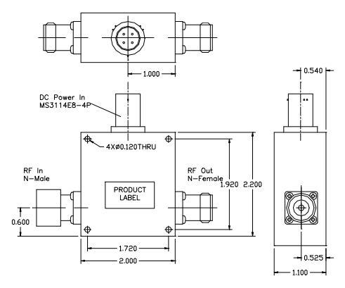
WENTEQ ALN0138-40-3208NW內置低燥聲微波射頻放縮器是款以2級GaAsp HEMT的工作噪音小源調小器方案,兼具方案化帶通濾波器,規律范疇在1.10-1.65MHz。ALN0138-40-3208NW放縮器極具35dB的小網絡信號增益值值,通頻率段中極具0.8dB的噪聲源標準值。

表現形式:
低轟鳴聲和高增益值
低VSWR,無生活條件保持穩明確
身型小,成本低收費低
N個抗體陽性鍵盤輸入,N個假陽性的輸出
主要的用作直流變壓器穩壓阻源導入的MS3114E8-4P連結器
單直流電穩壓阻源,內嵌式電流調低器,使用寬電流進入范圍內
事業溫度-40~+85°C,貯存室內溫度-55~+125°C
耐熱性封密紙盒包裝,其主要用到室外用到,表面漆成白色
WENTEQ提拱各式高服務品質的頻射和紅外光服務,交期時刻短,市場價有競爭者力。服務分為同軸相接插件和替換器、配置器、防曬隔離霜器、低嘈音變小器、效率變小器、移動寬帶變小器、端子排、波導元器件封裝等。
上海市立維創展自動化是WENTEQ的廠商商,一般提拱WENTEQ商品還包括弧形器、底部隔離器、根據終端機等,商品正品進口商,效果 保障,交房的時間短速度快,定價勝機,青睞咨詢了解。。
詳情頁了解WENTEQ請彈窗://anchor-appliance.cn/brand/29.html