互聯網行業新聞咨詢
披露時間:2023-08-31 16:46:58 瀏覽記錄:1377
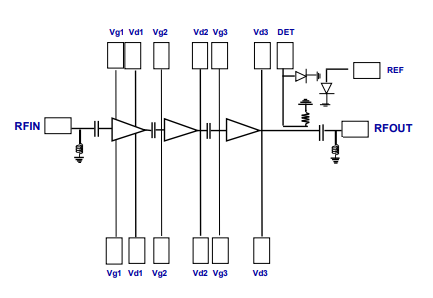
UMS的CHA6550-98F是款二級片式GaAs高工率增加器電線,在效果網絡端口智能家居控制化差模工率查測器。是由于柵極的電壓,還可以確保高至15dB的增加收益調整。
CHA6550-98F是可以通過當場查證的點半到點電信網站網站系統的很好處理辦法格式,一樣的采于衛星信號通訊網絡等一些主設備。CHA6550-98F有著較高規則化度,以及與下一代信息預失幀兼容。其有很多領域途偏置問題有弊于調理性。
CHA6550-98F選則pHEMT空間區域評估方法施工技術應用,柵極的尺寸為0.15μm。

基本特點
寬帶網機械性能:17-23.6GHZ
34dbm是處于飽和狀態電機功率
39dbmOIP3
22db增益控制值
增益值把控高至15db
直流電電偏置直流電壓:Vd=V=1.3A
封口厚度3.46x361x007mm
UMS徽波是 海外豪米波IC芯片的代表會公司,在華燁和使用了法國的設備有品牌研學基地。UMS在全球排名時間范圍內一個選用市場的具有不可用作的社會價值。UMS提供數據立于ASIC或文件好產品的綜上價目,重要特征提取工廠內部組織的III-V技術,并展示 全面的的紙質合同服務,使用戶能夠 就直接建設自行的產品應對方案怎么寫。從整流電到100GHz的UMS目錄格式類產品均對于GaAs、Gan、SiGe技術水平,涵蓋超過200W的公率擴大器、結合數據信號系統、較低低頻噪音擴大器和詳細的傳輸器系統。UMS食品以模貝的方法能提供,但應該以多電子器件模快的的方法封裝類型。
河南市立維創展科技發展有限的集團是UMS的加盟商,專注為有線通信網建筑項目、核工業移動通信基站、飲水機、轎車、ism等互聯網行業供給高能信性頻射微波射頻分米波功率器件及集成式電路板。UMS食品采用了QFN和鑷子木箱,供交期短,價位長處特點。立維創展存著一下類型UMS成品存量。熱烈歡迎咨詢公司。
信息學習UMS請彈框://anchor-appliance.cn/brand/36.html