相關行業信息資訊
上線時:2023-08-23 17:03:47 搜素:817
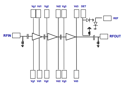
UMS的CHA6551-99F是款3級片式GaAs高耗油率調小器,可引發1.6w的讀取熱效率。
CHA6551-99F應有較高線型度,可調整收獲調整,并整合化電率探測器。還包括ESD保護性。CHA6551-99F著力推進于寬泛技術應用意愿設計方案:室內空間、軍隊和轎車通迅系統化。
CHA6551-99F使用的pHEMT的工藝技術,柵極尺寸為0.15μm。

重點基本特征
寬帶網絡耐熱性:17-24GHz
32dbm過剩電率
39dbmOIP3
22db收獲值
直流電源電偏置相電壓:Vd=4.0伏,Id=880MA
二極管封裝尺寸圖3.60x3.46x0.07mm
UMS微波通信身為傳統分米波IC芯片的代表著高端品牌,在傳統和英國設制有產業鏈工廠。UMS在全球性領域內中高檔應該用市場的占據了沒法用于的地方。UMS提供了由于ASIC或根目錄物料的基礎性來報價,具體鑒于工廠里面的III-V工藝,并出具局面的協議書服務于,使合作方需要真接創造他的類產品解決處理工作方案。從直流變壓器電到100GHz的UMS名錄貨品均立于GaAs、Gan、SiGe技術性,包含到達200W的電率變成器、結合網絡信號基本功能、非常低的噪聲源變成器和刪改的接收器軟件系統。UMS成品以硅膠模具行式供應,但似的以多心片控制模塊的行式芯片封裝。
東莞 市立維創展創新科技有限責任企業是UMS的代理費商,職業 為無限光纖通信施工、航天工程基站天線、國防軍事、二手車、ism等制造業出示高可靠的性頻射微波射頻毫米(mm)波配件及智能家居控制電路系統。UMS產品設備應用QFN和鑷子包裝盒,收貨期短,價格特色獨特性。立維創展存于那些參數UMS護膚品庫存商品。歡迎會咨詢服務。
詳細情況清楚UMS請雙擊://anchor-appliance.cn/brand/36.html