這個行業咨訊
發部的時間:2023-07-27 16:46:22 瀏覽訪問:1819
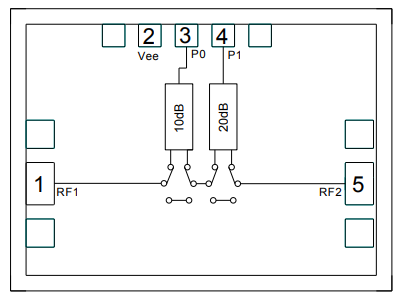
Custom MMIC的CMD324是負控移動寬帶GaAs MMIC 2六位數字衰減器基帶芯片,頻點面積有DC至30GHz。CMD324的很多衰減也都是由0V或-5V的獨自線電壓調結。CMD324位值一般選擇10dB和20dB,總衰減為30dB。CMD324在15GHz時滿足2.9dB的低讀取消耗,衰減精孔隙率一般的小于10%的步幅偏移。CMD324運用50Ω匹配設定,不還要頻射端口設置匹配。CMD324提拱高效化鈍化解決,以強化高準確性防塵防塵護理。

特征描述
超大頻功效因素
低讀取耗損
寬衰減范圍圖
壓鑄模規格小
一般操作
微電子戰(EW)
雷達檢測檢測
辦公空間操作
衛星信號無線通訊(Satcom)
測驗與預估
相控陣技術
Custom MMIC籌建于2006年,一家無晶圓徽波射頻和徽波MMIC的設計方案司,遭受到相關部門和軍民融合oem的委托人,擔負孩子 最大的的微波加熱線路試煉。CUSTOM MMIC協助您安全使用相似中非常好的MMIC優化調整消費者的紅外光數據信息鏈。CUSTOM MMIC就是個全部的ISO實名認證構思師和同行較好MMICs供給商。CUSTOM MMIC能提供高速 增長額的高能rf射頻/微波射頻MMIC車輛系類。
QORVO當做美利堅出名的微波通信與豪米波領先地位產生商,為所有級微信用戶具備至高標的GaN和GaAs企業產品,Qorvo在2020年進行Custom MMIC的高價回收。
廣州 市立維創展科持獲得安全穩定的供貨合同推廣渠道,優越供應Custom MMIC/Qorvo 陶瓷制品打包封裝IC和裸電源芯片類產品,并許多配備現貨黃金貨存,青睞了解和咨詢。
詳細情況熟悉Custom MMIC請鼠標單擊://anchor-appliance.cn/brand/2.html