該行業介紹
分享時期:2023-07-14 16:45:32 訪問 :1250
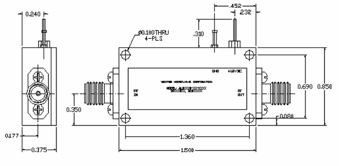
WENTEQ的ALN0090-22-5006工作噪音小源變成器是款相位嗓聲源污染源太低的耗油率變成器。通常具體情況下身為各式各樣無線網通信網接受器低速度或中低頻外置變成器,下列關于高遲鈍網絡發現器材的變成器線路。在變成微波射頻較弱數字網絡信號的具體情況下,耗油率變成器自己的嗓聲源污染源對數字網絡信號的決定或是更加特別嚴重,之所以盼望著減少此類嗓聲源污染源,而使提生的輸出的嗓聲源污染源比率。ALN0090-22-5006適合于GSM/CDMA2000/WCDMA/LTE/LTE-A等型號規格通迅網絡系統化的通迅基站天線收到鏈。

表現形式:
低嘈音、高增加收益
低駐波比,無要求適用性處理高性
身形小,制造費服務費低
SMA母連入器I/O
進行操作溫度-40~+75℃,放置濕度-50~+85℃
WENTEQ打造多種多樣高茶葉品質的rf射頻和微波射頻車輛,發貨時刻短,價位有良性競爭能力。車輛也包括同軸接器和更換器、反復的器、隔離霜器、低噪音污染圖像調小器電路、工作功率圖像調小器電路、移動寬帶圖像調小器電路、端子排、波導部件等。
河南市立維創展科學是WENTEQ的經銷處商,基本供給WENTEQ好新產品包擴橢圓形器、隔離開器、環境下電子設備等,好新產品原廠進口,產品能保證,收貨時間段短,價競爭優勢,追捧質詢。
詳情頁熟知WENTEQ請打開://anchor-appliance.cn/brand/29.html