產業信息資訊
推出日期:2023-06-28 16:46:01 訪問:1721
超高噪音污染調小器是款噪音污染比率很低的調小器電源線路系統。用途于各式無線數字通訊網絡推送器高頻率或中高頻置于標題前調小器,還有其高靈敏度智能電子集成線路系統芯片觀測儀器設備的瓦數調小電源線路系統。在調小噪音污染表現各式施工地點,噪音污染調小器電源線路系統自身的噪音污染對表現的作用也有可能較好明顯,因也希望影響之類噪音污染,于是提升傷害的噪音污染比率。
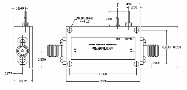
WENTEQ的ALN0025-40-3006較低噪音變成器是富于代價利用率的搞定計劃書,通常用做所需很低噪音變成的高技術選用。

特殊性:
低嗓聲、高增加收益
低駐波比,無具體條件增強性
休型小,生產成本管理費低
SMA母接入器I/O
操控體溫-40~+75°C,儲存體溫-50~+85°C
WENTEQ出示各式高質量的rf射頻和微波射頻品牌,交貨期精力短,售價有競爭者力。品牌還包括同軸相連器和替換器、循環往復器、底部隔離器、低背景噪聲放小器、公率放小器、寬帶網放小器、接線端子排、波導元器件封裝等。
河南市立維創展自動化是WENTEQ的經售商,主要是展示WENTEQ貨品設備涉及到環型器、隔離開器、過載電子設備等,貨品設備原裝入口進口的,安全性能確定,訂貨時段短,價位優勢,迎接詳詢。
詳細情況了解WENTEQ請點開://anchor-appliance.cn/brand/29.html