餐飲行業新聞咨詢
發表耗時:2023-06-06 16:49:39 搜索:1814
超低噪聲放大器具備非常低的相位噪聲、相對較高的OIP3功率,就能夠使用GSM/CDMA2000/WCDMA/LTE/LTE-A等模式通訊系統的通信基站傳輸線路。
WENTEQ的ALN0025-08-5208NW很低低頻躁聲調大器是較強投資成本使用率的工作方式方法,關鍵操作于須要很低躁聲調大的操作。

的特點:
低噪聲和高收獲
低駐波比,無條件穩定可靠性
體重小,利潤價格低
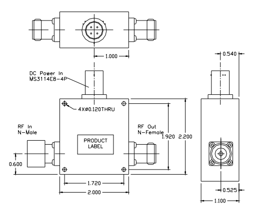
50ΩN公頭微波射頻輸入,N母頭rf射頻工作輸出
使使用直流電壓穩壓電式源鍵入MS3114E8-4P進行防水連接器
單節點+24V直流變壓器穩電容式源,鑲入輸出功率調整器
方法濕度-40~+85°C,存貯前提條件-55~+125°C
耐老化隔絕產品包裝,包括在使用于競技在使用,外表漆成白色
WENTEQ帶來不同的質量上乘保證的rf射頻和微波加熱物品的,到貨時段短,市場價格有競爭與合作力。物品的主要包括同軸連到器和配適器、嵌套循環器、隔離霜器、低低頻噪音拖動器、功效拖動器、聯通寬帶拖動器、接線鼻子、波導器件等。
上海市立維創展科持是WENTEQ的經銷處商,首要展示WENTEQ護膚品分為環行器、隔離開器、過載華為設備等,護膚品原裝機進囗的,服務質量切實保障,交付時間短,價格優缺點,熱烈歡迎聯系。
詳細信息熟知 WENTEQ請點選://anchor-appliance.cn/brand/29.html