行業內介紹
正式發布事件:2023-06-02 16:54:17 瀏覽網頁:1569
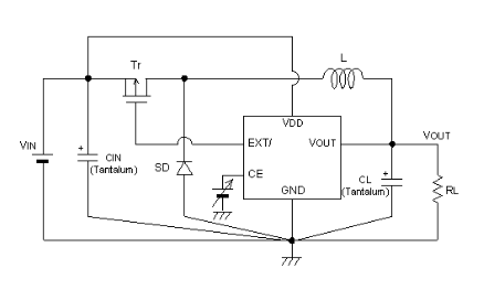
TOREX XC6366系列內嵌高速低通態電阻驅動器的通用型高頻率降壓DC/DC控制器集成電路。應用晶體管,電感線圈,二極管和電容器共4種外接器件,可搭建輸出電流為1A之上高效化降壓DC/DC轉換器。
XC6366題材降血壓DC/DC把握器夠在1.5V~6.0V(精密度計算±2.5%)範圍之外,以0.1V的高度做到安裝(VOUT型)。所以,祛除VOUT型外面,還具有著鑲入1.0V的國家標準相電壓電流源,能外接功率器件所以快速設置輸出的相電壓電流的型號規格為規格為(FB型)。
因觸點開關次數高至300kHz,能夠 安全使用大中小企業型外接元器件。XC6366系統減壓DC/DC調控器在小電動機扭矩時,PWM/PFM鎖定抑制型XC6366類別以PFM功課手段做到事情。這樣,在小時候電動機扭矩到大輸送電流值的整體化電動機扭矩區域范圍內,做到高效性化。
XC6366一系列降血壓DC/DC操縱器軟起動的時間范圍有,在專用設備放置為10ms的款型樣式(A,B型),下列關于使用外接電阻值和電感器使用優化系統的的具體型號產品規格(C,D型)。
XC6366型號減壓DC/DC掌握器app待機穩定性,可中止工作使瞬時電流量消耗的資金保證 0.5μA以上(CE端"L")。
XC6366系列產品減壓DC/DC設定器嵌入UVLO特點,當插入線電壓值在一切正常工作電流線電壓值一些時,會立即性的把外接晶胞管剪斷。
基本特性
插入相電壓使用范圍:2.2V~10V
傳輸電阻值面積:1.5V~6.0V(0.1V間隔距離),±2.5%
事情幾率:300kHz±15%,投資者私人訂制180,500kHz
所在瞬時電流:1.0A(VIN=5.0V,VOUT=3.0V)
高轉變成速度:92%(TYP.)
待機械流:ISTB=0.5μA(MAX.)
TOREX半導體芯片注意展示 COMS、感應器器、電感等元器材,新產品以小大小、耐磨性菁英而著名。
珠海市立維創展高新科技十分有限集團,好處渠道分銷TOREX外接電源元器件,非常多的現貨平臺庫存量,受歡迎企業合作。
具體詳情分析TOREX請點擊率://anchor-appliance.cn/brand/62.html

產品型號 | Type | Output Voltage | Oscillation Frequency | Packages |
XC6366A152ER-G | VOUT type: internally set-up, Soft-start internally set-up | 1.5V | 180kHz | USP-6C |
XC6366A152MR-G | VOUT type: internally set-up, Soft-start internally set-up | 1.5V | 180kHz | SOT-25 |
XC6366A153ER-G | VOUT type: internally set-up, Soft-start internally set-up | 1.5V | 300kHz | USP-6C |
XC6366A153MR-G | VOUT type: internally set-up, Soft-start internally set-up | 1.5V | 300kHz | SOT-25 |
XC6366A155ER-G | VOUT type: internally set-up, Soft-start internally set-up | 1.5V | 500kHz | USP-6C |
XC6366A155MR-G | VOUT type: internally set-up, Soft-start internally set-up | 1.5V | 500kHz | SOT-25 |
XC6366A162ER-G | VOUT type: internally set-up, Soft-start internally set-up | 1.6V | 180kHz | USP-6C |
XC6366A162MR-G | VOUT type: internally set-up, Soft-start internally set-up | 1.6V | 180kHz | SOT-25 |
XC6366A163ER-G | VOUT type: internally set-up, Soft-start internally set-up | 1.6V | 300kHz | USP-6C |
XC6366A163MR-G | VOUT type: internally set-up, Soft-start internally set-up | 1.6V | 300kHz | SOT-25 |
XC6366A165ER-G | VOUT type: internally set-up, Soft-start internally set-up | 1.6V | 500kHz | USP-6C |
XC6366A165MR-G | VOUT type: internally set-up, Soft-start internally set-up | 1.6V | 500kHz | SOT-25 |
XC6366A172ER-G | VOUT type: internally set-up, Soft-start internally set-up | 1.7V | 180kHz | USP-6C |
XC6366A172MR-G | VOUT type: internally set-up, Soft-start internally set-up | 1.7V | 180kHz | SOT-25 |
XC6366A173ER-G | VOUT type: internally set-up, Soft-start internally set-up | 1.7V | 300kHz | USP-6C |
XC6366A173MR-G | VOUT type: internally set-up, Soft-start internally set-up | 1.7V | 300kHz | SOT-25 |
XC6366A175ER-G | VOUT type: internally set-up, Soft-start internally set-up | 1.7V | 500kHz | USP-6C |
XC6366A175MR-G | VOUT type: internally set-up, Soft-start internally set-up | 1.7V | 500kHz | SOT-25 |
XC6366A182ER-G | VOUT type: internally set-up, Soft-start internally set-up | 1.8V | 180kHz | USP-6C |
XC6366A182MR-G | VOUT type: internally set-up, Soft-start internally set-up | 1.8V | 180kHz | SOT-25 |
XC6366A183ER-G | VOUT type: internally set-up, Soft-start internally set-up | 1.8V | 300kHz | USP-6C |
XC6366A183MR-G | VOUT type: internally set-up, Soft-start internally set-up | 1.8V | 300kHz | SOT-25 |
XC6366A185ER-G | VOUT type: internally set-up, Soft-start internally set-up | 1.8V | 500kHz | USP-6C |
XC6366A185MR-G | VOUT type: internally set-up, Soft-start internally set-up | 1.8V | 500kHz | SOT-25 |
XC6366A192ER-G | VOUT type: internally set-up, Soft-start internally set-up | 1.9V | 180kHz | USP-6C |