這個行業最新資訊
上架日期:2023-05-22 16:37:37 手機瀏覽:791
頻射低環境噪聲調小器就是說將無線數字外置天線加測到的很弱頻射紅外光增進,盡能夠縮減空調噪聲的進入,在移動手機用戶中保證信息表格信息信息更好的的、通信網質和信息表格傳輸數據率更好的的的的效果。
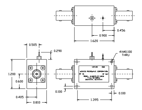
WENTEQ紅外光品牌為企業作為價格多少更低、口碑極高的頻射和紅外光放縮器功能,適合于業務售后服務和中國軍事創新科技應運方面。ALN007-57-2820B非常低的噪聲源放縮器在常有著制造費生產率的徹底解決情況報告,不適中用必須要 較低噪音污染激發的APP行業。

特證:
低躁音、高增益值
低回波衰減,無狀況保持安全性分析
身型小,投資成本花銷低
50ΩBNC母相防水連接器I/O
操作步驟工作溫度0~+50°C,保管室內溫度-50~+125°C
WENTEQ提高各方面高茶葉品質的rf射頻和微波射頻車輛,提貨的很快,價格多少有競爭者力。車輛還包括同軸進行聯接器和自適應器、不斷循環器、隔絕器、低噪音源調大器、輸出調大器、寬帶網絡調大器、接線端子排、波導部件等。
蘇州市立維創展現代科技是WENTEQ的銷售商,通常提供了WENTEQ品牌收錄環狀器、消毒器、環境下POS機終端等,品牌原放進囗的進囗的,重量保障,交房時段短,市場價格其優勢,歡迎圖片資訊。
淘寶手機端要了解WENTEQ請點://anchor-appliance.cn/brand/29.html