該行業新聞
公布時段:2018-06-06 10:47:01 瀏覽網頁:8264
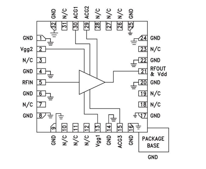
HMC797APM5E就是款GaAs MMIC pHEMT規劃式電效率變成器,工作任務頻次領域為DC至22 GHz。該變成器保證13.5 dB增加收益、39 dBm輸入輸入IP3和+28 dBm輸入輸入電效率(1 dB增加收益縮小),能耗為400 mA(運用+10 V交流電源)。該多特點PA在4至20 GHz領域內有著正增加收益斜率,因此異常適于EW、ECM、聲納和測式設配app。HMC797APM5E變成器I/O實物配備至50 Ω,有利結合到多處理器板塊(MCM)中,運用無引腳QFN 5×5 mm表貼芯片封裝,不可外面配備組件。
| 品牌 | 型號 | 描述 | 貨期 | 庫存 |
| ADI |
HMC797APM5E HMC797APM5ETR |
GaAs pHEMT MMIC 1 W功率放大器,DC - 22 GHz | 現貨 | 55 |
運用
HMC797APM5E優勢和特點
HMC797APM5E結構圖
