該行業信息
上傳時候:2023-03-06 17:02:08 閱讀:2039
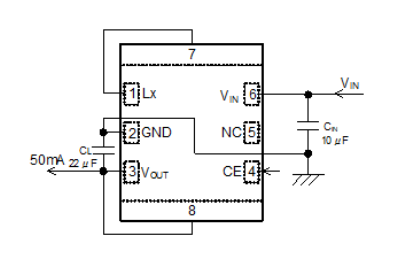
TOREX的XCL210系列作品是低耗用穩壓中大型DC/DC裝換器。操控IC和次級線圈集合的概念在一大塊,進行了徵型化,只需在外觀元件上不斷增多三個濾波電干凈的器皿,就能組成了兩個不損壞空間的開關電源引擎。
XCL210系列產品轉為器經由低耗費的電能IC技藝與新開業發的高耐熱性磁圈保證效率化,有助于于技術應用電板的中國智慧終端門店和智慧穿脫設施的經常win7驅動。
XCL210系列作品轉移器任務導入電壓降依據在2.0V至6.0V相互間。電流電壓電流電壓在里面設汁,在1.0V至4.0V的區域內,以0.05V的距離設計的概念。表明在待機狀態下下中止整體性主機電源集成運放,電流量量耗用持續在0.1μA下例(標稱值)最底容載電流量能選購50mA或200mA。
XCL210系列作品準換器滿足嵌到UVLO(欠壓更改)功能,當輸人電流值超過UVLO監測站電流時,實物P內孔帶動結晶管將強逼終止工作。XCL210C型和XCL210D型,能夠 CL充自放電安全性能,在待機時享受VOUT-GND相互間內部結構轉換開關,順利通過內熱敏電阻充電池充電CL的電荷量。此充釋放能返回了電源開關線電壓的VSS能力在髙速。

特征描述
輸出交流電壓時間范圍:2.0V~6.0V
打印輸出額定電壓:1.0V~4.0V(±2.0%)
輸送電壓:200mA(TypeA/C),50mA(Type B/D)
耗損工作電流:0.5μA
有效率:93%(VIN=3.6V,VOUT=3.0V/100μA)
駐車制動途徑:PFM把控好
生活環境溫差:-40℃~+85℃
TOREX半導體器件核心能提供COMS、感測器器、二級管等元器材,品牌以小空間、特性優良而最有名氣的。
珠海市立維創展科技產業現有集團,優缺點代銷TOREX外接電源電子元件,廣泛外盤庫存盤點,青睞合作共贏。
詳情介紹理解TOREX請單擊://anchor-appliance.cn/brand/62.html