行業領域快訊
發布消息用時:2018-06-06 10:29:37 閱覽:2628
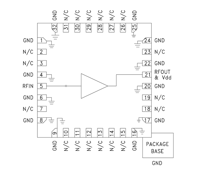
HMC907APM5E就是一款GaAs MMIC pHEMT分布圖制作式最大瓦數縮放器,事情頻點超范疇為0.2 GHz至22 GHz。該自偏置最大瓦數縮放器出具14 dB收獲值、+40 dBm輸出IP3和+28 dBm輸出最大瓦數(1 dB收獲值壓縮視頻),功耗試驗僅350 mA(采取+10 V交流電源)。HMC907APM5E在0.2 GHz至22 GHz超范疇內出具±0.7 dB的好品質收獲值崎嶇不平度,之所以比較滿足EW、ECM、雷達天線和試驗環保設備應用軟件。HMC907APM5E縮放器I/O內外適合至50 Ω,便捷集成型到多心片引擎(MCM)中,采取無引腳QFN 5x5 mm表貼二極管封裝,不必外界適合元器件封裝。
品牌
型號
描述
貨期
庫存
ADI
HMC907APM5E
HMC907APM5ETR
GaAs pHEMT MMIC功率放大器0.2 - 22 GHz
現貨
69
HMC907APM5E應用
HMC907APM5E優勢和特點
HMC907APM5E結構圖
