行業領域咨詢
發表周期:2022-11-22 16:58:26 瀏覽記錄:858
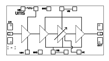
UMS的CHA2293-99F是款具有可調性收獲值的高收獲4級單面低環境噪聲圖像功率放大器。
CHA2293-99F專為從中國國防軍事體育到商業服務的服務的、無線網絡通訊設備的年輕化應該用而設計方案。CHA2293-99F的脊背是RF和DC接地極。這有助于簡化裝配進程。
CHA2293-99F挑選pHEMT的技術的技術、0.25μm柵極間距、橫穿基本的材質材料的通孔、氣體橋和電子束柵幻影刻加工工藝產量加工。以電源芯片風格提供了。

最主要的特色
運作頻段:24-30GHz
3db低頻噪音公式
24db增益控制值
增益控制控制面積:15db
低直流變壓器電耗電,160MA5V
IC芯片厚度:2.32X1.23X0.10mm
UMS紅外光做為歐洲其他國家厘米波電子器件的主要國產品牌,在華燁和英國布置有行業基地。UMS在環球區域內高檔次應用整個市場占有物沒法混用的地方。UMS出具系統設計ASIC或名錄軟件的總體價目,核心系統設計子公司內層的III-V工藝,并展示局面的合作合同服務于,使業主就可以同時創建活動我們的設備解決細則。從直流電壓電到100GHz的UMS子目錄企業產品均源于GaAs、Gan、SiGe新技術,包涵高達獨角獸200W的馬力變小器、混后數據信息功能性、非常低噪音污染變小器和全面的收取和發送器系統性。UMS軟件以摸具類型提供了,但基本以多基帶芯片引擎的類型打包封裝。
南京市立維創展自動化比較有限總部是UMS的微商加盟商,專業化為有線通訊技術項目 、航空基站天線、國防軍事、小汽車、ism等企業供應高是真的嗎性rf射頻紅外光公分波元器及智能家居控制集成運放。UMS產品設備采用了QFN和塑模標簽印刷,到交期短,定價其優勢獨家。.我為部分類型展示高高效量的UMS物品存貨。感謝服務咨詢。
詳細情況了解到UMS請彈窗://anchor-appliance.cn/brand/36.html