職業咨詢
發布新聞時候:2022-05-20 17:10:16 訪問:2000
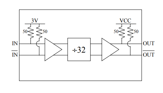
DV032是EUVIS的16針3x3mm塑料QFN高速封裝除以32靜態分頻器。由于輸入靈敏度高,輸出相位噪聲低,小規格尺寸,DV032廣泛應用于通訊網絡、儀器儀表、無線電/雷達等領域。DV032接收0.2GHz(正弦波、直流方波)14GHz輸入頻率,需要一個 5V的單電源。

重點功能
?0.2-14GHz帶寬起步
?低相位嘈音:-140 dBc/Hz
?高設置靈敏性度:-25 dBm
?輸送振動幅度:800 mVp-p(差分)
?差動搜索和轉換
?50? 讀取/輸出精度電阻值
?單電源開關:+5V
?電壓電流使用量:72mA
?16針3x3mmPVCQFN封裝形式
杭州市立維創展網絡是EUVIS的代辦經售商,重點提拱EUVIS的環球新銳的飛速數模換算DAC、隨便數字6的頻率提煉器DDS、重復使用DAC的集成塊級品牌,各種繞城高速信息采集板卡、動態圖正弦波形遭受器等品牌,原裝機期貨,價格多少資源優勢,喜愛在線咨詢。
淘寶手機端了解EUVIS請雙擊://anchor-appliance.cn/brand/24.html