服務業方式
發布信息日期:2022-05-12 16:34:31 閱覽:2068
眼下領域上TI的貨位TPS82130、TPS82140、TPS82150短缺,引致流通分銷商市場價升值小于50倍,IC的原來的價值就已經 被偏斜。誠然TI的貨位品質質量無需吹毛求疵,被全世界買家肯定,咋樣滿足越來越窘境,臺達Cyntec擇機提供 了pin to pin原位代換計劃。
技術參數 | 復制粘貼交流電壓 | 打印輸出電壓電流 | 功率 |
TPS82130 | 3~17V | 0.9~6V | 3A |
TPS82140 | 3~17V | 0.9~6V | 2A |
TPS82150 | 3~17V | 0.9~6V | 1A |
TPSM82903 | 3~17V | 0.4~5.5V | 3A |
這一超小型POL供電模塊電源,量小,僅為3.0mm x 2.8mm x 1.5mm,集成為了DC-DC基帶芯片、電感,諸多地優化了客人設計,同樣能否作為超好EMI屬性。

而Cyntec的原位替代產品 MUN12CAD03-SEC , 以完全不用改動PCB,并且以超低的紋波特性,被廣泛應用于儀表、通信、服務器等領域。
1. 叁數相比較
尺寸 | 尺碼 | 輸進輸出功率 | 輸入輸出相電壓 | 電流值 | Vfb |
TPS82130 | 2.8*3.0*1.5mm | 4.5~17.0V | 0.9~6.0V | 3A | 0.8V |
MUN12AD03-SEC | 2.8*3.0*1.5mm | 4.5~17.0V | 0.8~5.5V | 3A | 0.6V |
2. 代替用培訓:
(1)TPS82130是依據內部管理直流工作電壓鉗位把握重啟時間的打印輸出直流工作電壓斜率,來制止過大的浪涌電壓并保證受控的傷害電流上漲準確時間。當 EN引腳被拉高時,元器會在 55μs(其最典型的值)的卡頓后已經啟閉,還讀取電流以由無線接到 SS/TR 引腳的表面電感器有效控制的斜率增加。在應用十分的小的電感器或使 SS/TR 引腳沒有支撐,可實現了較快的關掉時間段。TPS82130 也可以關掉至預偏置讀取電感器。在預偏置關掉一年后,在里面的結構電流鉗位將讀取電流如何設置為遠遠超出預偏置電流開始之前,兩根工作效率 MOSFET 不可關掉。當元器存在關斷、欠壓鎖住或熱關斷方式時,無線接到 SS/TR 引腳的電感器由里面的結構電容器發出電。從一些方式退回會促使新的關掉回文序列。
根據MUN12AD03-SEC的SS軟再啟動與TPS82130有對比,MUN12AD03-SEC不需在這是輸入輸出端接的L22電感/磁珠,則需用確定上電時序。關聯性表達式詳細:

(2)TPS82130與MUN12AD03-SEC的工作上紋波測試方法但是下列

臺達的廠品高質量,可不可以基本夠滿足高精準度的電源適配器特殊要求。
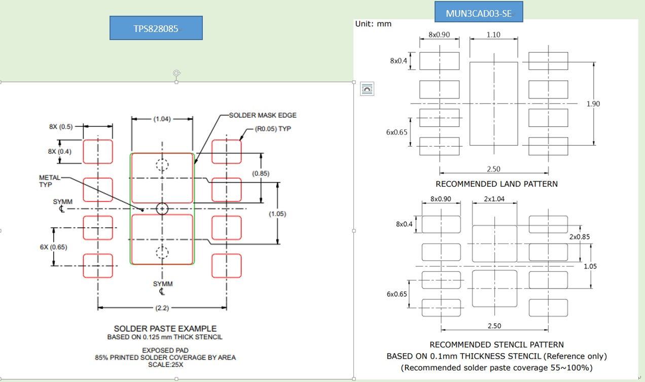
3. 軟件的貼片工藝流程準備作用:
TI的物料清單鋼網厚度太小,從而導致鋼網過錫量不均勻。板材厚度還小,在這種現狀如參看Cyntec的溫暖Reflow,則會發現錫料擴充率太高經常出現斷層或空洞。即比如不上錫的情況下。則意見從TPS82130切換桌面過來的英文的貼片 ,此外升級這一SMT鋼網 。
武漢市立維創展創新科技管理權限進口代理Cyntec長線品牌,全力為用戶給出高及高品質、優質化量、房價公開的電源適配器傳感器品牌。品牌原廠國外,較好保護,合為中華大陸臺灣市面 給出技術扶持,歡迎會管理咨詢。
詳細信息知曉Cyntec請點開://anchor-appliance.cn/brand/16.html