互聯網行業信息資訊
公布期限:2022-05-09 16:50:04 閱讀:1159
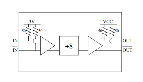
DV008是款16針3x3mm橡膠QFN裝封的繞城高速8分頻器。可能其高輸出敏銳性、低輸出相位噪音分貝和小外形厚度厚度,DV008非常時候從網上無線網絡通訊、醫療儀器機器、無線網絡電/預警雷達檢測到醫院服務培訓等廣泛適用適用。DV008掌握差分發送和輸出,可配收從0.2GHz(正弦函數波、直流變壓器方波)到14GHz的插入聲音頻率。需備有一個+5V的電開關24v電源。

通常特征描述
?0.2-14GHz速率
?低相位嘈音:-140dBc/Hz
?高插入遲鈍性:-25dBm
?工作輸出震幅:800mVp-p(差分)
?差分顯示和效果
?50?填寫/傷害特性阻抗
?單按鈕開關電原:+5V
?感應電流不足:75mA
?16針3x3mm塑料材質QFN二極管封裝
東莞市立維創展科技開發是EUVIS的批發商經售商,主耍具備EUVIS的世界上高端的快速數模變為DAC、就直接數據速度提煉器DDS、復用技術DAC的單片機芯片級產品,同時高采集器板卡、動態的波形參數發生了器等產品,原裝進口期貨,費用優勢與劣勢,歡迎會詳詢。
寶貝詳情理解EUVIS請彈窗://anchor-appliance.cn/brand/24.html