HMC547ALC3/HMC547ALC3TR基礎型寬帶網絡高隔離開SPDT啟閉 ADI期貨
披露日期:2018-07-10 13:58:18 瀏覽網頁:7436
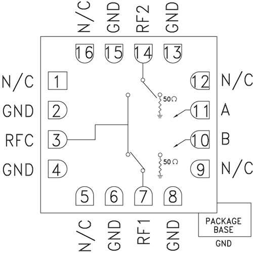
HMC547ALC3都是款專用型帶寬高防曬隔離霜防曬非折射GaAs MESFET SPDT電源模塊打開,用3x3 mm無引腳陶瓷制品表貼封裝類型。該電源模塊打開速度時間范圍為DC至28.0 GHz,在中頻段時享有低于40 dB的防曬隔離霜防曬度和不低于2 dB的導入耗損率。帶寬寬、快捷電源模塊打開和省油的suv型長寬高使釋放式SPDT適用軍工用EW/ECM和軟件測試機 應用。該電源模塊打開用-5/0V的互補性負操控電流電壓思想新線路本職工作,就不需要偏置電源模塊。若您有其它疑義,請認識讓小編立維創展,讓小編會盡最明顯精力用心服務于。
|
品牌
|
型號
|
描述
|
貨期
|
庫存
|
|
ADI
|
HMC547ALC3
HMC547ALC3TR
|
GaAs MMIC SPDT非反射式開關,DC - 28.0 GHz
|
現貨
|
233
|
HMC547ALC3用途
-
光纖和寬帶通信
-
微波無線電和VSAT
-
軍用無線電、雷達和ECM
-
測試儀器儀表
HMC547ALC3優勢和特點
-
高隔離度:
45 dB (10 GHz)
39 dB (20 GHz)
-
低插入損耗:
1.9 dB (10 GHz)
2.2 dB (20 GHz)
-
快速開關:6 ns
-
非反射設計
-
16引腳3x3 mm SMT陶瓷封裝:9mm2
HMC547ALC3結構圖
