HMC713LP3ETR/HMC713LP3E常用對數檢波器/掌控器 ADI現貨交易
正式發布期限:2018-07-09 12:01:46 預覽:6927
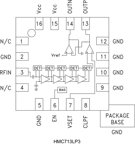
HMC713LP3E多數檢波器/操控器比較適宜將RF衛星無線信號(50 MHz至8000 MHz頻率依據內圖內)的額定效率在顯示端轉移為與顯示額定效率不成比例的交流電端的電壓。 HMC713LP3E適用反復減少科技,可在寬顯示頻率依據內圖內給出有著高測試表面粗糙度的54 dB動態數據依據內圖。 跟著顯示衛星無線信號添加,反復圖像放大電路隨著進過飽和,然而生產精準度的多數涵數相似值。 一編檢波器顯示求和、轉移成端的電壓域并儲存win7驅動OUTP顯示。
若您有所有疑慮,請聯系起來大家立維創展,大家會盡極大盡力為您產品。
在探測模試下,OUTP引腳進行連接到VSET進入,供給17 mV/dB標稱對數計算斜率和-68 dBm截距。
HMC713LP3E也可在設定器經營機制下選用,在該經營機制下向VSET引腳增加內部相電壓以保持AGC或APC回饋環路。
|
品牌
|
型號
|
描述
|
貨期
|
庫存
|
|
ADI
|
HMC713LP3ETR
HMC713LP3E
|
54 dB對數檢波器/控制器,采用SMT封裝,50 - 8000 MHz
|
現貨
|
170
|
HMC713LP3ETR用途
-
蜂窩基礎設施
-
WiMAX, WiBro和amp; LTE/4G
-
電源監控和控制電路
-
接收機信號強度指示(RSSI)
-
蜂窩基礎設施
-
自動增益和功率控制
HMC713LP3ETR優勢和特點
-
寬動態范圍: 高達54 dB
-
高精度: ±1 dB (54 dB)
范圍高達2.7 GHz
-
快速輸出響應時間
-
電源電壓: +2.7至+5.5V
-
省電模式
-
出色的溫度穩定性
-
16引腳3x3 mm SMT封裝: 9mm2
HMC713LP3ETR結構圖
