HMC338LC3B/HMC338LC3BTR警用集合LO混頻器 ADI期貨
推出時間:2018-07-06 15:36:46 瀏覽記錄:7357
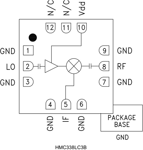
HMC338LC3B也是款模塊化LO增加器的24 - 34 GHz次諧波(x2) MMIC混頻器,選用不符合RoHS規格的無引腳SMT封口。 在30 dB時,2LO至RF隔離防曬性能方面出眾,暫時無法其他的濾波。 LO增加器選用單偏置(+3V到+4V)設計的,需-5 dBm的標稱驅動下載。 RF和LO網口為隔直網口并適配50 ?,選用省事,同樣IF的本職工作頻次位置為DC至3 GHz。 HMC338LC3B暫時無法線焊,應該選用表貼開發技藝。
|
品牌
|
型號
|
描述
|
貨期
|
庫存
|
|
ADI
|
HMC338LC3B
HMC338LC3BTR
|
次諧波混頻器,采用SMT封裝,24 - 34 GHz
|
現貨
|
237
|
利用
-
點對點無線電
-
點對多點無線電和VSAT
-
測試設備和傳感器
-
軍用最終用途
-
SATCOM
HMC338LC3B優勢和特點
-
集成LO放大器: -5 dBm輸入
-
次諧波(x2) LO
-
DC - 3 GHz帶寬IF
-
符合RoHS標準的3x3 mm SMT封裝
-
單正電源: +4V (31mA)
HMC338LC3B結構圖
