HMC685LP4E/HMC685LP4ETR高信息規模結合LO變小器 ADI期貨
正式發布期限:2018-07-05 11:41:27 瀏覽記錄:2117
HMC685LP4(E)一種款高的動態區間無源MMIC混頻器,ibmsLO拖動器,所利用4x4 SMT QFN裝封,本職工作幾率為1.7 - 2.2 GHz。 LO要為0 dBm時,3G和4G GSM/CDMA用途都可以領取+32 dBm的表現出色鍵入IP3下交流變頻能力。 所利用1 dB (+27 dBm)擠壓時,RF網絡端口的支持各種各樣鍵入衛星信號電平。 轉為損失經典指標值8 dB。 DC至500 MHz的IF幾率卡死要足夠GSM/CDMA發射點或推送幾率規劃區符合要求。 HMC685LP4(E)與HMC684LP4(E)引腳兼容,再者一種款ibmsLO拖動器的700 - 1,000 MHz混頻器。
|
品牌
|
型號
|
描述
|
貨期
|
庫存
|
|
ADI
|
HMC685LP4E
HMC685LP4ETR
|
集成LO放大器的BiCMOS混頻器,1.7 - 2.2 GHz
|
現貨
|
158
|
HMC685LP4應用
-
蜂窩/3G和LTE/WiMAX/4G
-
基站和中繼器
-
GSM、CDMA和OFDM
-
發射機和接收機
HMC685LP4優勢和特點
-
高輸入IP3:+35 dBm
-
8 dB轉換損耗(0 dBm LO)
-
針對低端LO輸入優化
-
可調電源電流
-
上變頻和下變頻應用
-
24引腳4x4mm SMT封裝:16mm2
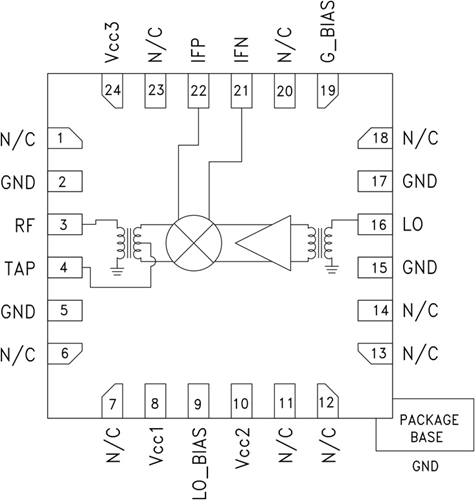
HMC685LP4結構圖
