HMC666LP4E/HMC666LP4ETR高gif動態區域無源MMIC混頻器 ADI現貨黃金
發布的時刻:2018-07-05 10:48:57 手機瀏覽:7374
HMC666LP4(E)是款高新動態時間范圍無源MMIC混頻器,結合LO圖像放大器電路,按照4x4 SMT QFN打包封裝,的工作平率為3.1 - 3.9 GHz。 該元器件封裝根據WiMAX和特定無限用帶來+31 dBm的漂亮搜索IP3的性能以做下變頻,LOwin7驅動為0 dBm。 LO串口根據同價位LO用調整。
RF端口處的輸人1 dB減少為+23 dBm,可可以支持寬比率輸人預警電平。 轉成消耗的資金主要值一般選擇9 dB。 該元器件的DC至800 MHz IF聲音頻繁 反應能足夠WiMAX導彈或收發聲音頻繁 規化想要。 立維創展HMC666LP4(E)與HMC688LP4(E)引腳兼容,交給是一個款2.0 - 2.7 GHz混頻器,ibmsLO擴大器。
|
品牌
|
型號
|
描述
|
貨期
|
庫存
|
|
ADI
|
HMC666LP4E
HMC666LP4ETR
|
集成LO放大器的SMT BiCMOS混頻器,3.1 - 3.9 GHz
|
現貨
|
235
|
用
-
WiMAX/4G與固定無線
-
基礎設施與中繼器
-
發射機與接收機
-
測試和測量設備
HMC666LP4E優勢和特點
-
高輸入IP3: +31 dBm
-
低轉換損耗: 9 dB
-
低LO驅動: 0 dBm
-
上變頻與下變頻應用
-
針對低端LO輸入優化
-
24引腳、4x4mm SMT封裝: 16mm2
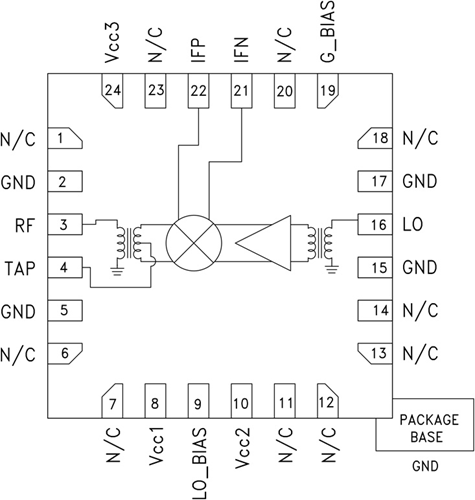
HMC666LP4E結構圖
